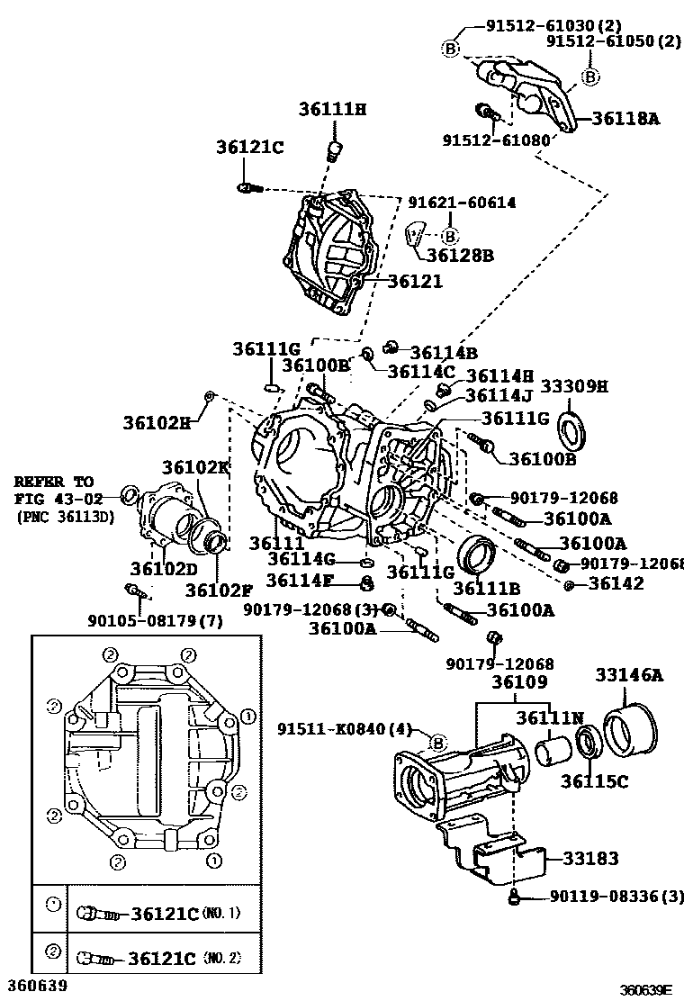
TRANSFER CASE & EXTENSION HOUSING

33146ADEFLECTOR, TRANSFER EXTENSION HOUSING DUST
33183DAMPER, TRANSFER DYNAMIC
33309HWASHER, TRANSFER OUTPUT SHAFT
T=1.20,MARK AA
T=1.22,MARK AC
T=1.24,MARK BB
T=1.26,MARK CA
T=1.28,MARK CC
T=1.30,MARK DB
T=1.32,MARK EA
T=1.34,MARK EC
T=1.36,MARK FB
T=1.38,MARK GA
T=1.40,MARK GC
T=1.42,MARK HB
T=1.44,MARK JA
T=1.46,MARK JC
T=1.48,MARK KB
T=1.50,MARK LA
T=1.52,MARK LC
T=1.54,MARK MB
T=1.56,MARK NA
T=1.58,MARK NC
T=1.60,MARK PB
T=1.62,MARK QA
T=1.64,MARK QC
36100ABOLT, STUD (FOR TRANSFER & TRANSAXLE SETTING)
S=15 & 27,L=58
S=19 & 19,L=47
36100BBOLT (FOR TRANSFER & TRANSAXLE SETTING)
*12-1.25PX32-24
36102DRETAINER SUB-ASSY, TRANSFER RH BEARING
36102FSEAL, OIL, NO.2 (FOR TRANSFER RH BEARING RETAINER)
36102HRING, O (FOR TRANSFER RH BEARING RETAINER)
36102KRING, O
36109HOUSING SUB-ASSY, TRANSFER EXTENSION
sub36109-48010
36111BSEAL, OIL (FOR TRANSFER CASE)
36111GPIN, STRAIGHT (FOR TRANSFER CASE)
L=16,OD=8
L=16,OD=8
L=20,OD=10
36111HPLUG, BREATHER (FOR TRANSFER CASE)
36111NBUSH (FOR TRANSFER CASE)
36114BPLUG, NO.1 (FOR TRANSFER CASE)
sub90341-18072
36114CGASKET, NO.1 (FOR TRANSFER CASE)
36114FPLUG (FOR TRANSFER DRAIN)
36114GGASKET (FOR TRANSFER DRAIN PLUG)
36114HPLUG, NO.2 (FOR TRANSFER CASE)
36114JGASKET, NO.2 (FOR TRANSFER CASE)
36115CSEAL, TYPE T OIL (FOR TRANSFER EXTENSION HOUSING)
36118APLATE, TRANSFER STIFFENER, RH
36121COVER, TRANSFER CASE, NO.1
36121CBOLT, WASHER BASED HEAD HEXAGON (FOR TRANSFER CASE COVER)
NO.1
NO.2
36128BDEFLECTOR, BREATHER OIL
36142GASKET, TRANSFER COVER
4302
9010508179
main90105-08179
9011908336
main90119-08336
9017912068
main90179-12068
91511K0840
main91511-K0840
9151261030
main91512-61030
9151261050
main91512-61050
9151261080
main91512-61080
9162160614
main91621-60614
36 parts on this diagram · 1 diagram in section