FRONT FENDER APRON & DASH PANEL

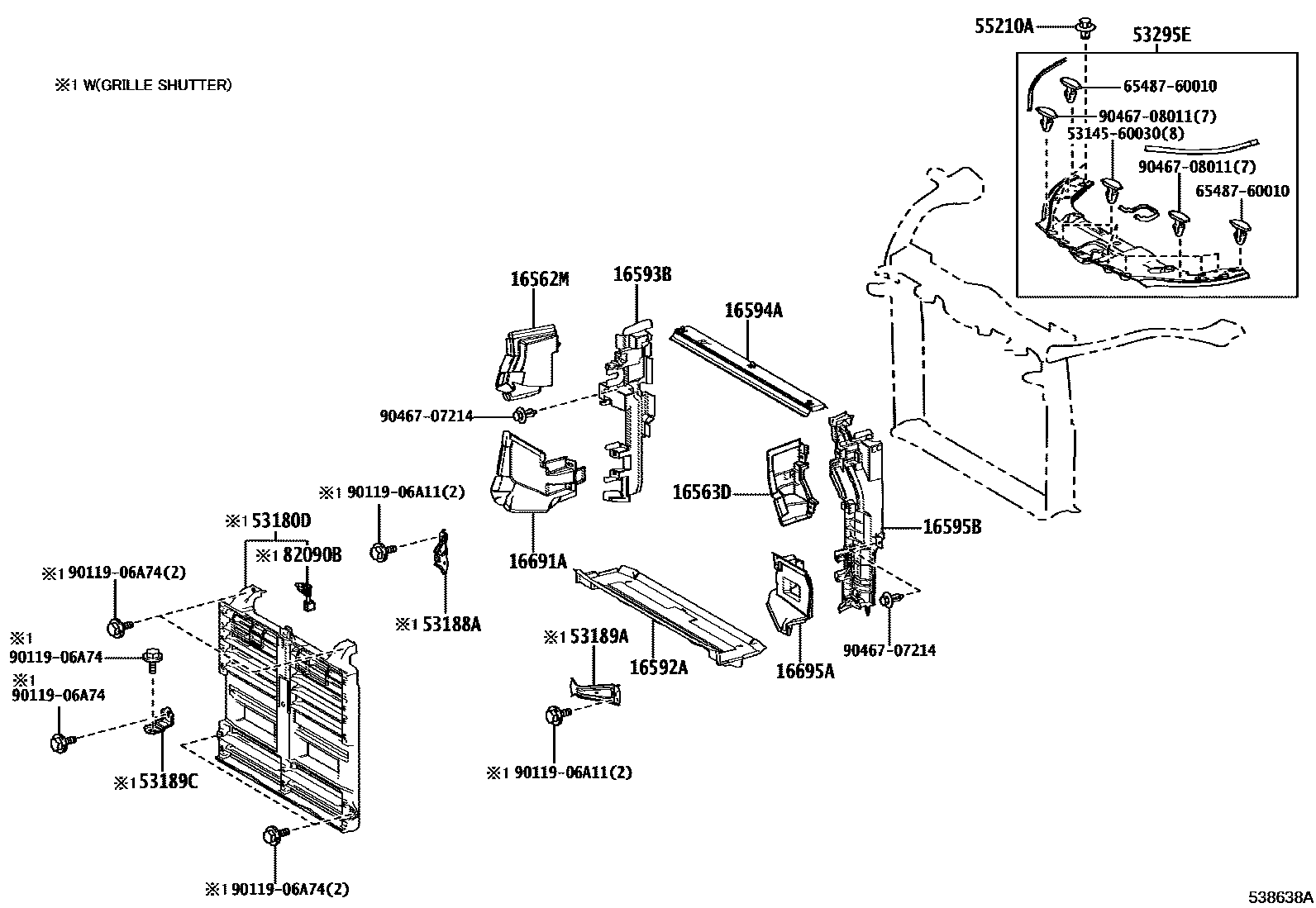
16562MSEAL, RADIATOR TO SUPPORT, NO.2
16563DSEAL, RADIATOR TO SUPPORT, NO.3
16592AGUIDE, RADIATOR AIR, NO.3
16593BGUIDE, RADIATOR AIR, NO.1 RH
16594AGUIDE, RADIATOR AIR, NO.2
16595BGUIDE, RADIATOR AIR, NO.1 LH
16691APLATE, RADIATOR SIDE AIR GUIDE, FRONT RH
F SPORT
16695APLATE, RADIATOR SIDE AIR GUIDE, FRONT LH
F SPORT
53180DSHUTTER ASSY, RADIATOR
53188ABRACKET, RADIATOR SHUTTER SUPPORT, RH
53189ABRACKET, RADIATOR SHUTTER SUPPORT, LH
53189CBRACKET, RADIATOR SHUTTER SUPPORT, CENTER
53295ESEAL, COOL AIR INTAKE DUCT
55210INSULATOR ASSY, DASH PANEL
55210ACLIP
82090BWIRE ASSY, EXTENSION
5314560030BRACKET,RADIATOR GRILLE MOUNTING, RH
6548760010CLIP, CORNER PROTECTOR
9011906A11
9011906A74
9046707214
9046708011
22 parts on this diagram · 4 diagrams in section