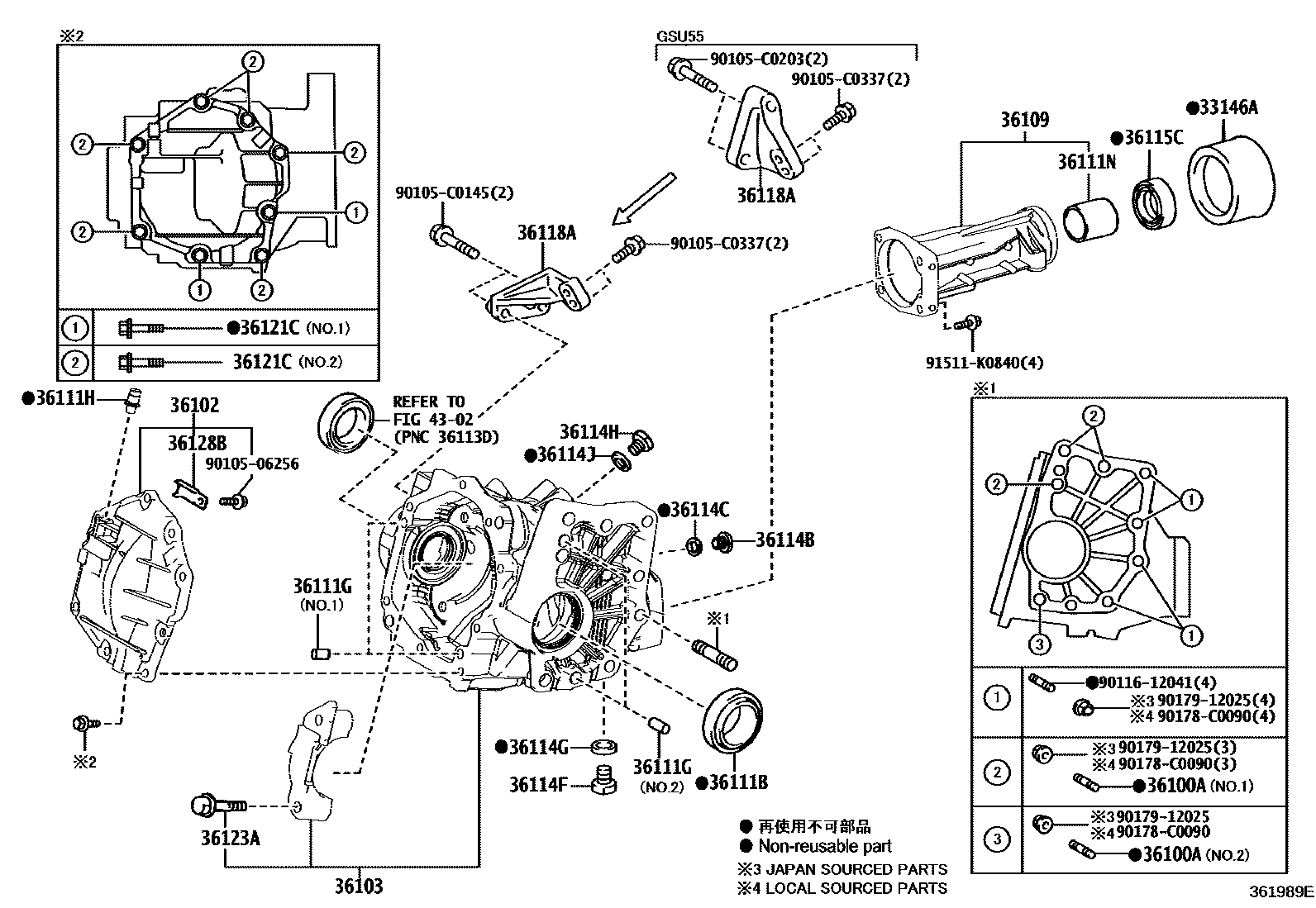
TRANSFER CASE & EXTENSION HOUSING

33146ADEFLECTOR, TRANSFER EXTENSION HOUSING DUST
36100ABOLT, STUD (FOR TRANSFER & TRANSAXLE SETTING)
S=22 & 22,L=73,(J),NO.1:SEE ILLUST
S=22 & 22,L=53,(J),NO.2:SEE ILLUST
S=22 & 22,L=73,(L),NO.1:SEE ILLUST
S=22 & 22,L=53,(L),NO.2:SEE ILLUST
36102COVER SUB-ASSY, TRANSFER CASE
36103CASE SUB-ASSY, TRANSFER
sub36103-48011
36109HOUSING SUB-ASSY, TRANSFER EXTENSION
36111BSEAL, OIL (FOR TRANSFER CASE)
36111GPIN, STRAIGHT (FOR TRANSFER CASE)
L=16,OD=8,NO.1:REFER ILLUST.
L=20,OD=10,NO.2:REFER ILLUST.
36111HPLUG, BREATHER (FOR TRANSFER CASE)
36111NBUSH (FOR TRANSFER CASE)
36114CGASKET, NO.1 (FOR TRANSFER CASE)
36114FPLUG (FOR TRANSFER DRAIN)
36114GGASKET (FOR TRANSFER DRAIN PLUG)
36114HPLUG, NO.2 (FOR TRANSFER CASE)
36114JGASKET, NO.2 (FOR TRANSFER CASE)
36115CSEAL, TYPE T OIL (FOR TRANSFER EXTENSION HOUSING)
36118APLATE, TRANSFER STIFFENER, RH
36121CBOLT, WASHER BASED HEAD HEXAGON (FOR TRANSFER CASE COVER)
NO.1:REFER ILLUST.
NO.2:REFER ILLUST.
36123ABOLT, DIFFERENTIAL BEARING CAP
36128BDEFLECTOR, BREATHER OIL
4302
9010506256
main90105-06256
90105C0145
main90105-C0145
90105C0203
main90105-C0203
90105C0337
main90105-C0337
9011612041
main90116-12041
90178C0090
main90178-C0090
9017912025
main90179-12025
91511K0840
main91511-K0840
29 parts on this diagram · 2 diagrams in section