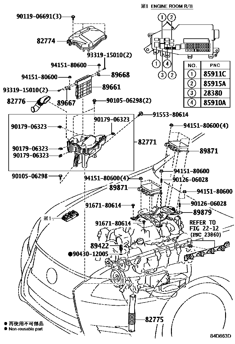
ELECTRONIC FUEL INJECTION SYSTEM

2212
28380RELAY ASSY, FUEL PUMP
82771BOX, ENGINE ROOM ECU
82774COVER, ENGINE ROOM ECU
82775DUCT, ENGINE ROOM ECU INLET
82776DUCT, ENGINE ROOM ECU OUTLET
85910ARELAY ASSY, CIRCUIT OPENING (FOR EFI)
85911CRELAY, EFI 2
85915ARELAY, MAIN
89422SENSOR, WATER TEMPERATURE (FOR E.F.I.)
89661COMPUTER, ENGINE CONTROL
KAZAKHSTAN,BELARUS,ADRIA,CAUCAS SPEC&EXH.EMISSION CONTROL-EUROPE STEP4 WITHOUT(ONBOARD DIAGNOSIS)&INJECTOR CLEANER CORRESP.-WITH
PHILIPPINES SPEC&EXH.EMISSION CONTROL-EUROPE STEP4 WITHOUT(ON BOARD DIAGNOSIS)&INJECTOR CLEANER CORRESP.-WITH
SOUTH AMERICA SPEC&EXH.EMISSION CONTROL-EUROPE STEP4 WITHOUT(ON BOARD DIAGNOSIS)&INJECTOR CLEANER CORRESP.-WITH
RUSSIA SPEC&EXH.EMISSION CONTROL-EUROPE STEP5 WITH(ON BOARD DIAGNOSIS)&INJECTOR CLEANER CORRESP.-WITH
UKRAINE,CROATIA SPEC&EXH.EMISSION CONTROL-EUROPE STEP5 WITH(ON BOARD DIAGNOSIS)&INJECTOR CLEANER CORRESP.-WITH
KAZAKHSTAN,BELARUS,ADRIA,CAUCAS SPEC&EXH.EMISSION CONTROL-EUROPE STEP5 WITH(ON BOARD DIAGNOSIS)&INJECTOR CLEANER CORRESP.-WITH
89667BRACKET, ENGINE CONTROL COMPUTER
89668BRACKET, ENGINE CONTROL COMPUTER, NO.2
89871DRIVER, INJECTOR
89879BRACKET, INJECTOR DRIVER
9010506298
main90105-06298
9011906691
main90119-06691
9012606028
main90126-06028
9017906323
main90179-06323
9043012005
main90430-12005
9155380614
main91553-80614
9167180614
main91671-80614
9331915010
main93319-15010
9415180600
main94151-80600
24 parts on this diagram · 1 diagram in section