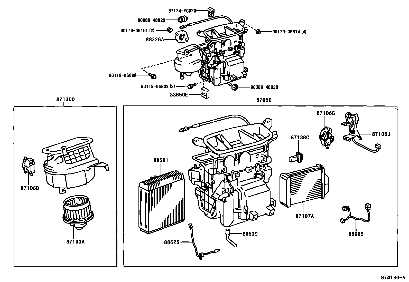
HEATING & AIR CONDITIONING - COOLER UNIT

87050RADIATOR ASSY, AIR CONDITIONER
W/O(AIR CONDITIONER)
W(MANUAL AIR CONDITIONER)
W(AUTO AIR CONDITIONER)
87103AMOTOR SUB-ASSY, COOLING UNIT, W/FAN
87106DSERVO SUB-ASSY, DAMPER, NO.1
87106GSERVO SUB-ASSY, DAMPER(FOR BLOWER)
87106JSERVO SUB-ASSY, DAMPER(FOR MODE)
87107AUNIT SUB-ASSY, HEATER RADIATOR
87130DBLOWER ASSY
87138CRESISTOR, BLOWER
88326APLATE, COVER
W(AIR CONDITIONER)
88501EVAPORATOR SUB-ASSY, COOLER, NO.1
88539HOSE, COOLER UNIT DRAIN, NO.1
88605HARNESS SUB-ASSY, COOLER WIRING, NO.1
88625THERMISTOR, COOLER, NO.1
88650EAMPLIFIER ASSY, AIR CONDITIONER, NO.1
87124YC020CLAMP, HEATER
main87124-YC020
9008948028
main90089-48028
9008948029
main90089-48029
9011906098
main90119-06098
9011906833
main90119-06833
9017906191
main90179-06191
9017906314
main90179-06314
21 parts on this diagram · 2 diagrams in section