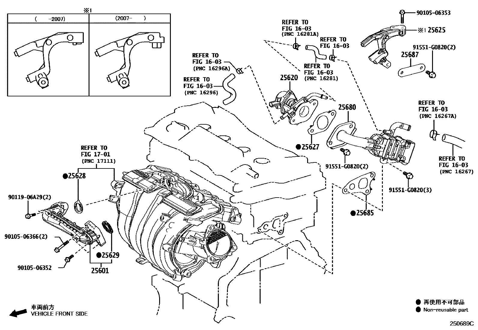
EXHAUST GAS RECIRCULATION SYSTEM

1603
1701
25601PIPE SUB-ASSY, EGR, NO.1
*132
*636
*633
*633
*609
25620VALVE ASSY, EGR
*132
*636
*633
*609
25625BRACKET, EGR VALVE
*636
25627GASKET, EGR VALVE
(J)
(J),*633
*132
*636
(L)
*609
*633
(L),*633
25628GASKET, EGR INLET
*132,*609
*636
*132
*633
25629GASKET, EGR VALVE ADAPTER
*132,*609
*636
*132
*633
25680COOLER ASSY, EGR
*132
(J)
*636
*636
*633
*633
*609
*633
(L)
25685GASKET, EGR COOLER, NO.1
*132
*636
(J),*633
(J)
(L),*633
*633
(L)
*609
25687BRACKET, EGR COOLER, NO.1
*636
9010506352
main90105-06352
9010506353
main90105-06353
9010506366
main90105-06366
9011906A29
main90119-06A29
91551G0820
main91551-G0820
16 parts on this diagram · 7 diagrams in section