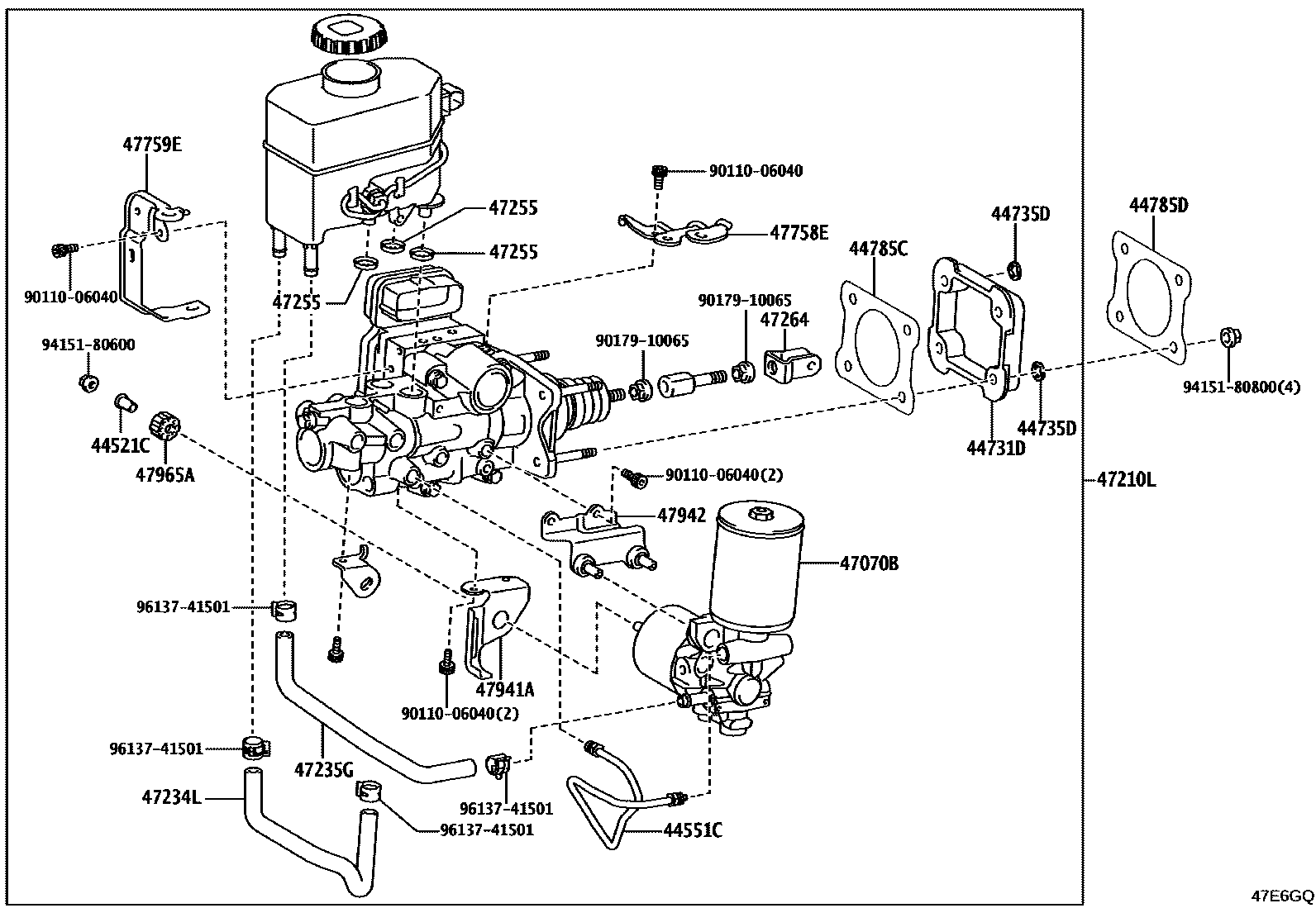
BRAKE MASTER CYLINDER

44521CCOLLAR, BRAKE ACTUATOR CASE
44551CTUBE, BRAKE ACTUATOR, NO.1
44731DBRACKET, BRAKE BOOSTER
44735DRING, BOOSTER BRACKET STOPPER
44785CGASKET, BRAKE BOOSTER
44785DGASKET, BRAKE MASTER CYLINDER
47070BPUMP ASSY, BRAKE BOOSTER W/ACCUMULATOR
47210LBRAKE BOOSTER ASSY, W/MASTER CYLINDER
*614
47234LHOSE, RESERVOIR, NO.1
47235GHOSE, RESERVOIR, NO.2
47255GROMMET, MASTER CYLINDER RESERVOIR
47264CLEVIS, MASTER CYLINDER PUSH ROD
47758EBRACKET, WIRE CLAMP, NO.1
47759EBRACKET, WIRE CLAMP, NO.2
47941ABRACKET, BRAKE POWER SUPPLY, NO.1
47942BRACKET, BRAKE POWER SUPPLY, NO.2
47965ABUSH, BRAKE BOOSTER PUMP
9011006040
main90110-06040
9017910065
main90179-10065
9415180600
main94151-80600
9415180800
main94151-80800
9613741501
main96137-41501
22 parts on this diagram · 1 diagram in section