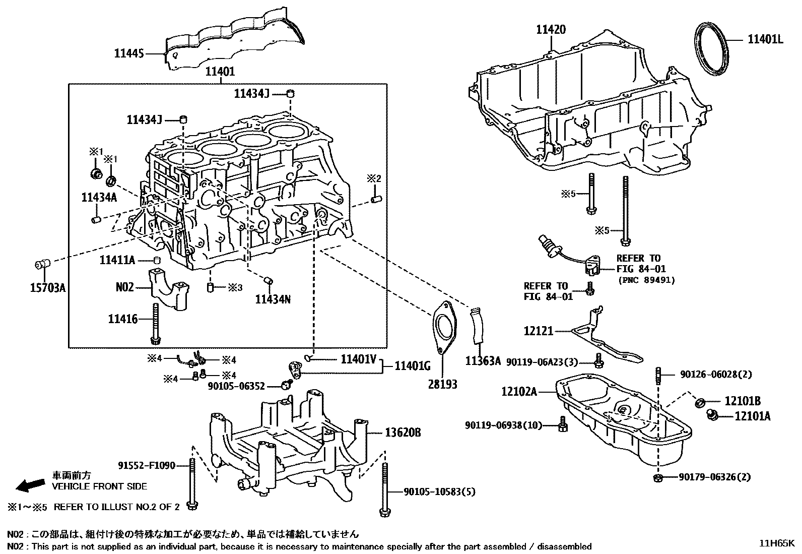
CYLINDER BLOCK

11363ACOVER, FLYWHEEL HOUSING SIDE
11401BLOCK SUB-ASSY, CYLINDER
11401GSENSOR, CRANK POSITION
11401LSEAL, ENGINE REAR OIL
11401VO-RING, CRANK POSITION SENSOR
11411APIN, RING(FOR CYLINDER BLOCK NO.1 )
11416BOLT(FOR CRANKSHAFT BEARING CAP SET)
11420CRANKCASE ASSY, STIFFENING
11434APIN, STRAIGHT(FOR TIMING GEAR COVER SET)
L=14,OD=6
11434JPIN, RING (FOR CYLINDER HEAD SET)
11434NPIN, STRAIGHT(FOR WATER INLET HOUSING)
11445SPACER, CYLINDER BLOCK WATER JACKET
12101APLUG(FOR OIL PAN DRAIN)
12101BGASKET(FOR OIL PAN DRAIN PLUG)
12102APAN SUB-ASSY, OIL, NO.2
12121PLATE, OIL PAN BAFFLE, NO.1
13620BBALANCER ASSY, ENGINE
15703AVALVE SUB-ASSY, OIL NOZZLE
28193INSULATOR, STARTER HOLE
8401
9010506352
main90105-06352
9010510583
main90105-10583
9011906938
main90119-06938
9011906A23
main90119-06A23
9012606028
main90126-06028
9017906326
main90179-06326
91552F1090
main91552-F1090
27 parts on this diagram · 2 diagrams in section