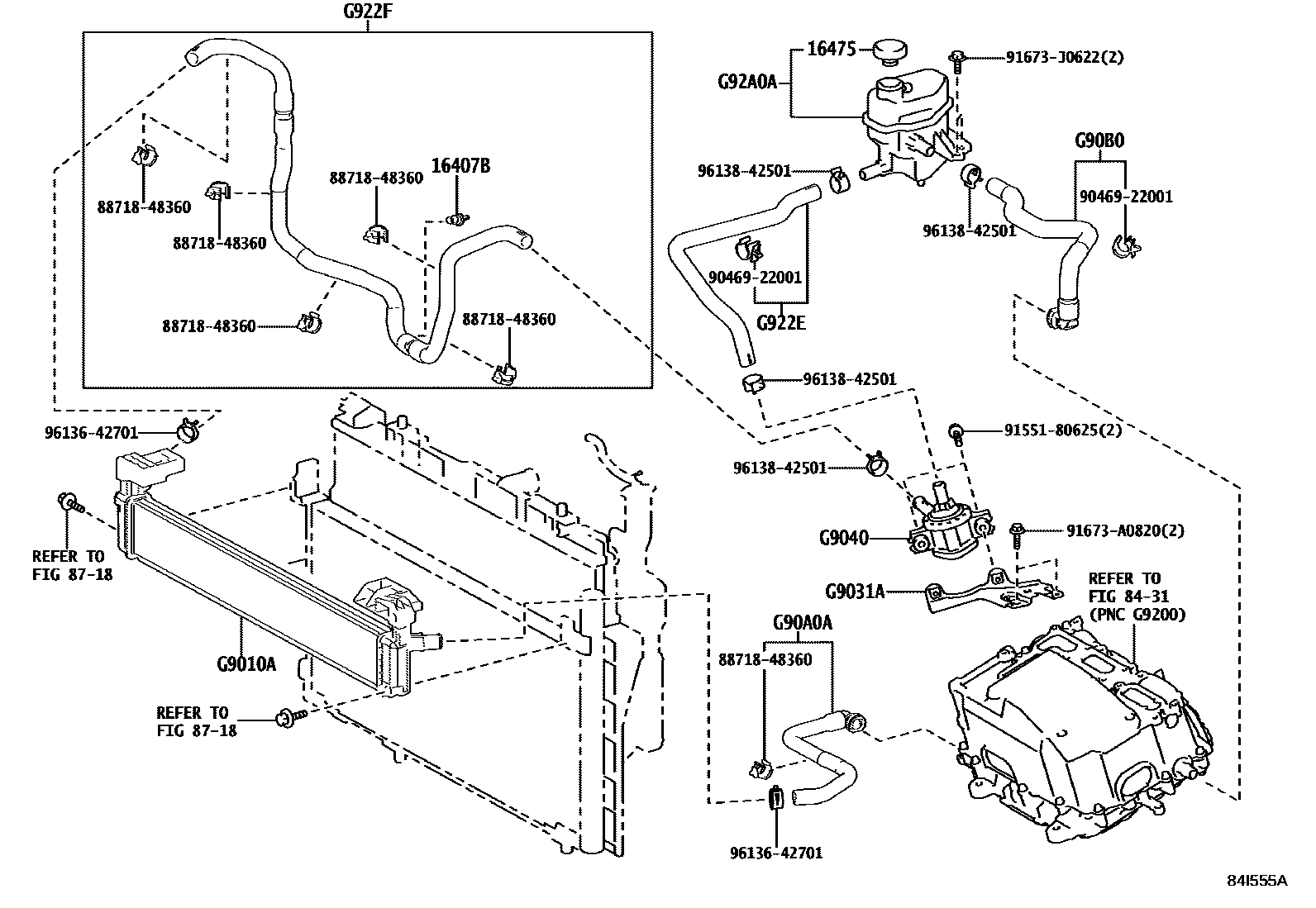
INVERTER COOLING

16407BCOCK SUB-ASSY, RADIATOR DRAIN
16475CAP, RESERVE TANK
8431
8718
G9010ARADIATOR ASSY
G9031ABRACKET SUB-ASSY, HV WATER PUMP
G9040INVERTER WATER PUMP ASSY(W/MOTOR)
G90A0AHOSE ASSY, INVERTER COOLING, NO.1
G90B0HOSE ASSY, INVERTER COOLING, NO.2
G922EHOSE, HYBRID WATER PUMP INLET
G922FHOSE, HYBRID WATER PUMP OUTLET, NO.1
G92A0ATANK ASSY, INVERTER RESERVE
8871848360PIPE, COOLER REFRIGERANT SUCTION, NO.2
main88718-48360
9046922001
main90469-22001
9155180625
main91551-80625
91673A0820
main91673-A0820
91673J0622
main91673-J0622
9613642701
main96136-42701
9613842501
main96138-42501
19 parts on this diagram · 1 diagram in section