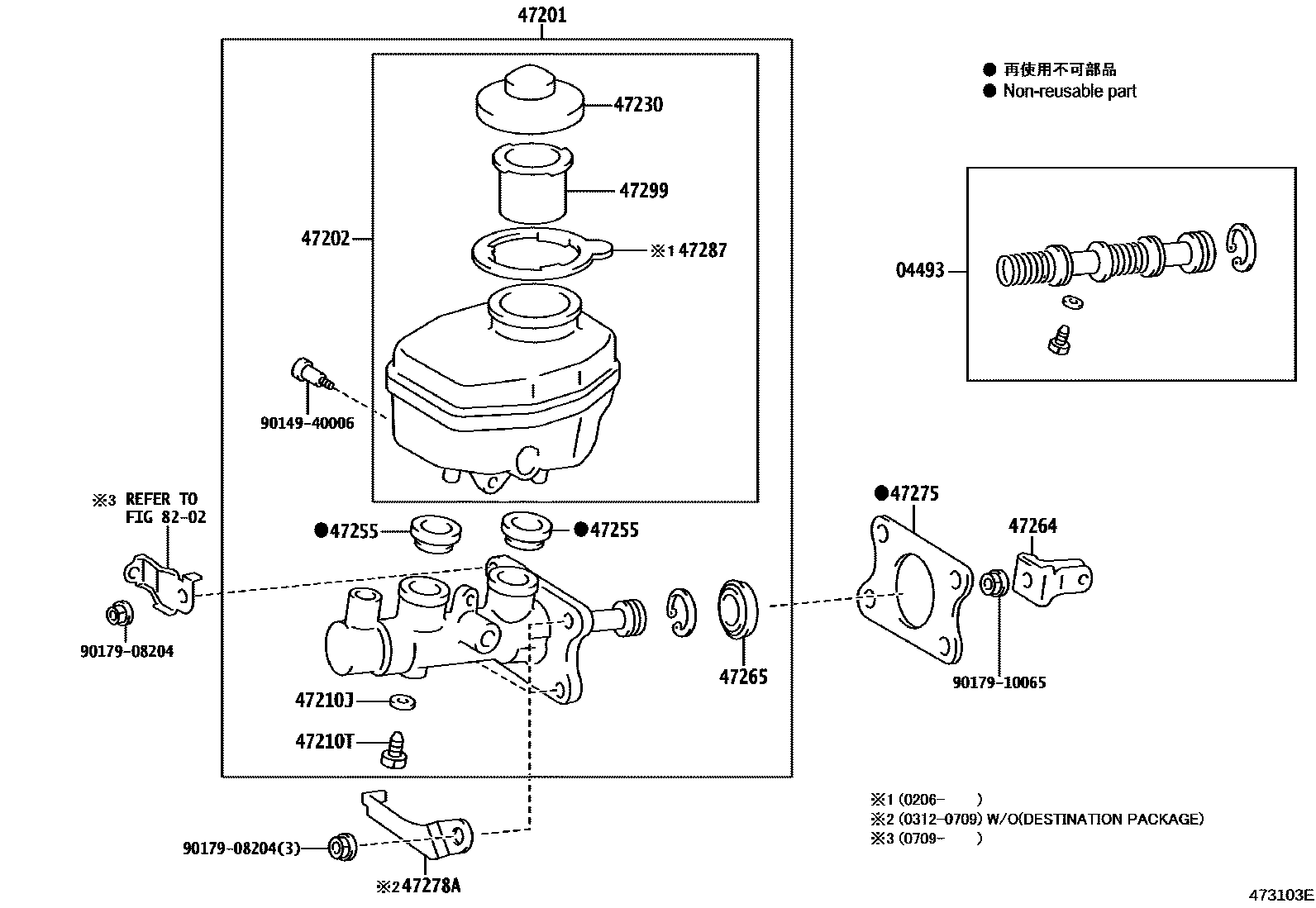
BRAKE MASTER CYLINDER

04493CYLINDER KIT, BRAKE MASTER
W/O(DESTINATION PACKAGE)
47201CYLINDER SUB-ASSY, BRAKE MASTER
sub47201-43011
sub47201-43012
W/O(DESTINATION PACKAGE)
sub47201-43051
47210JGASKET(FOR MASTER CYLINDER)
47210TBOLT(FOR BRAKE MASTER CYLINDER)
47230CAP ASSY, BRAKE MASTER CYLINDER RESERVOIR FILLER
W/O(DESTINATION PACKAGE)
47255GROMMET, MASTER CYLINDER RESERVOIR
47264CLEVIS, MASTER CYLINDER PUSH ROD
W/O(DESTINATION PACKAGE)
47265BOOT, MASTER CYLINDER
47278ACOVER, BRAKE MASTER CYLINDER
W/O(DESTINATION PACKAGE)
47287LABEL, BRAKE FLUID INFORMATION
W/O(DESTINATION PACKAGE)
47299STRAINER, BRAKE MASTER CYLINDER RESERVOIR
W/O(DESTINATION PACKAGE)
8202
9014940006
main90149-40006
9017908204
main90179-08204
9017910065
main90179-10065
17 parts on this diagram · 4 diagrams in section