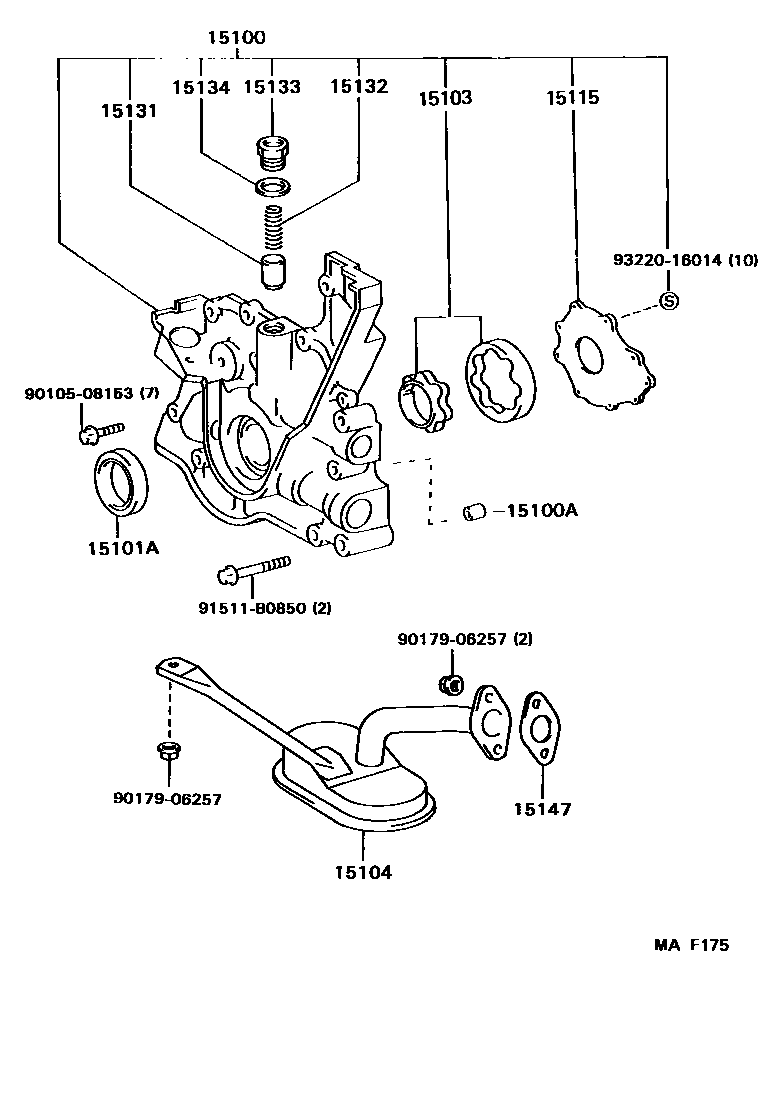
ENGINE OIL PUMP

15100APIN, RING(FOR OIL PUMP SET)
15101ASEAL(FOR CRANKSHAFT)
15115COVER, OIL PUMP
15131VALVE, OIL PUMP RELIEF
15132SPRING, OIL PUMP RELIEF VALVE
15133PLUG, OIL PUMP RELIEF VALVE
15134GASKET, OIL PUMP RELIEF VALVE
15147GASKET, OIL STRAINER
9010508153
main90105-08153
9017906257
main90179-06257
91511B0850
main91511-B0850
9322016014
main93220-16014
15 parts on this diagram · 1 diagram in section