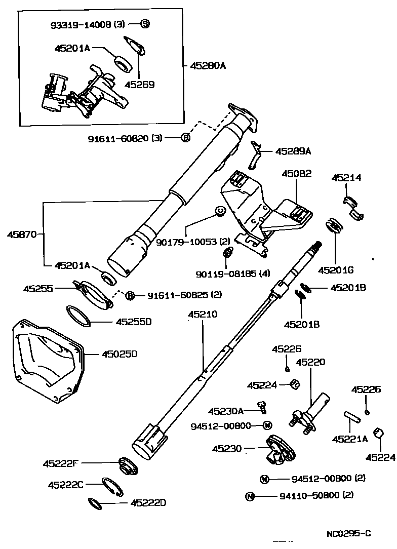
STEERING COLUMN & SHAFT

45025DCOVER SUB-ASSY, STEERING COLUMN HOLE, NO.1
HONG KONG SPEC;SINGAPORE SPEC;THAILAND SPEC
sub45025-30221
45082BRACKET SUB-ASSY, BREAK AWAY W/CAPSULE
TAXI SPEC F0R SAUDI ARABIA
W(*80)
45201ABEARING(FOR STEERING MAIN SHAFT)
UPR
TAXI SPEC F0R SAUDI ARABIA,UPR
UPPER
W(MECHANICAL TYPE AIRBAG SYSTEM)
LOWER
45201BRING, SHAFT SNAP(FOR STEERING MAIN SHAFT)
T=1.20
T=1.20,TAXI SPEC FOR SAUSI ARABIA
T=1.35-1.45
T=1.35-1.45,TAXI SPEC F0R SAUDI ARABIA
T=1.5
T=2.6
45201GSPRING, COMPRESSION(FOR STEERING MAIN SHAFT)
W(*80)
TAXI SPEC F0R SAUDI ARABIA
LOWER
UPPER
45210SHAFT ASSY, STEERING MAIN
sub45210-30061
W(TILT STEERING)
sub45210-30072
W(MECHANICAL TYPE *80)
TAXI SPEC F0R SAUDI ARABIA
45214RETAINER, MAIN SHAFT SPRING
45220SHAFT ASSY, STEERING INTERMEDIATE
TAXI SPEC F0R SAUDI ARABIA
LOWER
UPR
UPPER
UPR
HONG KONG SPEC;SINGAPORE SPEC;THAILAND SPEC,UPR
HONG KONG SPEC;SINGAPORE SPEC;THAILAND SPEC,UPR
W(MECHANICAL TYPE AIRBAG SYSTEM),UPR
45221APIN(FOR STEERING INTERMEDIATE SHAFT)
45222CRING, HOLE SNAP(FOR DUST COVER)
45222DRING, O(FOR DUST COVER)
45222FCOVER, DUST
45224BLOCK, BEARING(FOR STEERING FLEXIBLE COUPLING)
15.97-16.00
16.00-16.03
45230COUPLING ASSY, FLEXIBLE
45230ABOLT, HEXAGON(FOR STEERING FLEXIBLE COPLING SET)
45255PLATE, STEERING COLUMN HOLE COVER
45255DRING, O(FOR STEERING COLUMN HOLE COVER PLATE)
45269RETAINER, MAIN SHAFT BEARING
TAXI SPEC F0R SAUDI ARABIA
45280ABRACKET ASSY, STEERING COLUMN, UPPER
HONG KONG SPEC
SAUDI ARABIA SPEC (TAXI SPEC)
W(*80)
sub45280-30530
45289ASUPPORT, STEERING COLUMN COVER
TAXI SPEC F0R SAUDI ARABIA
45870TUBE ASSY, STEERING COLUMN
TAXI SPEC F0R SAUDI ARABIA
W(MECAHNICAL TYPE AIRBAG SYSTEM)
HONG KONG SPEC;SINGAPORE SPEC;THAILAND SPEC
9011908185
main90119-08185
9017910053
main90179-10053
9161160820
main91611-60820
9161160825
main91611-60825
9331914008
main93319-14008
9411050800
main94110-50800
9451200800
main94512-00800
29 parts on this diagram · 8 diagrams in section