E
EPC Data
Pricing
API Docs
Sign In
Home
›
GR
›
331260
›
HEATING & AIR CONDITIONING - COMPRESSOR
HEATING & AIR CONDITIONING - COMPRESSOR
0001 1
0002 1
0003 1
0004 1
0005 1
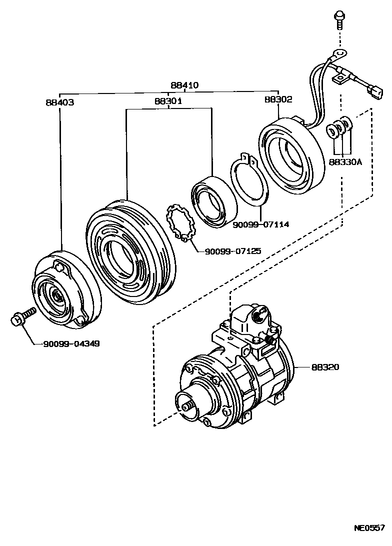
88301
ROTOR SUB-ASSY, MAGNET CLUTCH
main
88412-12150
i
MS135..LHD
198709-199110
main
88412-22030
i
LS130,YS132
198709-199110
main
88412-27010
i
LS130
198908-199110
sub
88412-30430
main
88412-30320
i
MS132..4F;MS132,133..DLX,ROY,SAL,SALEX
198709-199110
main
88412-30330
i
MS135..RHD
198709-199110
88302
STATOR SUB-ASSY, MAGNET CLUTCH
main
88411-14050
i
LS130
198709-198908
main
88411-20111
i
MS135..RHD
198709-198908
sub
88411-30480
main
88411-30380
i
YS132
198709-199110
main
88411-30430
i
MS135..LHD;MS132,133..GCC
198709-199110
sub
88411-30460
main
88411-30440
i
MS132..4F;MS132,133..(DLX,ROY,SAL)..GEN
198709-199110
sub
88411-30470
main
88411-30480
i
MS135..RHD
198908-199110
main
88411-30510
i
LS130
198908-199110
sub
88411-35070
88320
COMPRESSOR ASSY, COOLER
main
88320-30390
i
MS132..4F;MS132,133..(DLX,ROY,SAL)..GEN
198709-199110
sub
88320-60H92
main
88320-30400
i
MS135..RHD
198709-199110
main
88320-30440
i
YS132
198709-199110
main
88320-30460
i
LS130..RHD
198709-198908
main
88320-30470
i
LS130..LHD
198709-198908
main
88320-30530
i
MS135..LHD
198709-199110
sub
88320-60H92
main
88320-30540
i
MS132,133..GCC
198709-199110
sub
88320-60H92
main
88320-30550
i
LS130
198908-199110
sub
88320-35H91
88330A
WASHER (FOR MAGNET CLUTCH)
main
88335-12050
i
LS130,YS132
198709-199110
main
88335-14020
i
MS132..4F;MS13#..DLX,ROY,SAL,SALEX
198709-199110
88403
HUB SUB-ASSY, MAGNET CLUTCH
main
88403-12030
i
YS132
198709-199110
main
88403-14030
i
LS130..LHD
198709-198910
sub
88403-12030
main
88403-16010
i
MS132..4F;MS13#..DLX,ROY,SAL,SALEX
198709-198810
sub
88403-16011
main
88403-16011
i
MS132..4F;MS13#..DLX,ROY,SAL,SALEX
198810-199110
88410
CLUTCH ASSY, MAGNET
main
88410-22080
i
LS130
198709-198908
sub
88410-60140
main
88410-27020
i
LS130
198908-199110
main
88410-30380
i
YS132
198709-199110
main
88410-30450
i
MS135..RHD
198709-199109
sub
88410-30540
main
88410-30490
i
MS135..LHD
198709-199110
sub
88410-30550
main
88410-30500
i
MS132,133..GCC
198709-199110
sub
88410-30560
main
88410-30510
i
MS132..4F;MS132,133..(DLX,ROY,SAL)..GEN
198709-199110
sub
88410-30570
main
88410-30540
i
MS135..RHD
199109-199110
9009904349
main
90099-04349
9009907114
main
90099-07114
9009907125
main
90099-07125
9 parts on this diagram · 5 diagrams in section
HEATING & AIR CONDITIONING - COMPRESSOR — Toyota Parts Diagram with OEM Numbers & Prices | EPC Data