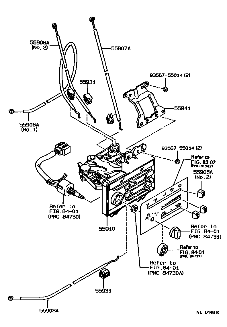
HEATING & AIR CONDITIONING - CONTROL & AIR DUCT

55905AKNOB, HEATER CONTROL
NO.1
NO.2
55906ACABLE SUB-ASSY, DEFROSTER DAMPER CONTROL
NO.1
NO.1
NO.2
NO.2
55907ACABLE SUB-ASSY, WATER VALVE CONTROL
55908ACABLE SUB-ASSY, AIR INLET DAMPER CONTROL
55910CONTROL ASSY, HEATER OR BOOST VENTILATOR
55931CLAMP, HEATER CONTROL WIRE
55941BRACKET, HEATER CONTROL
8302
8401
9356755014
main93567-55014
10 parts on this diagram · 5 diagrams in section