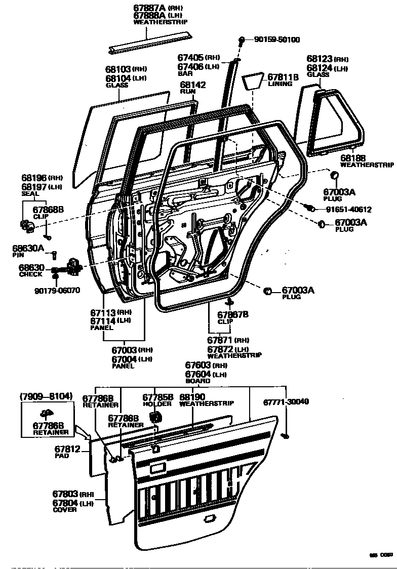
REAR DOOR PANEL & GLASS

67003PANEL SUB-ASSY, REAR DOOR, RH
SAUDI ARABIA SPEC
SAUDI ARABIA SPEC
sub67003-30200
sub67003-30210
SAUDI ARABIA SPEC
SAUDI ARABIA SPEC
sub67003-30220
*GIS
*GIS
*GIS
67003APLUG, HOLE(FOR REAR DOOR PANEL)
OD=14
22X10,W/O CHILD PROTECTOR
67004PANEL SUB-ASSY, REAR DOOR, LH
SAUDI ARABIA SPEC
SAUDI ARABIA SPEC
sub67004-30200
sub67004-30210
SAUDI ARABIA SPEC
SAUDI ARABIA SPEC
sub67004-30220
*GIS
*GIS
*GIS
67405BAR SUB-ASSY, REAR DOOR WINDOW DIVISION, RH
67406BAR SUB-ASSY, REAR DOOR WINDOW DIVISION, LH
67603BOARD SUB-ASSY, REAR DOOR TRIM, RH
GRAY,GRAY,TRIM1#
BLUE,BLUE,TRIM8#
GREIGE,BEIGE,TRIM4#
BEIGE,BEIGE,TRIM4#
DARK WINE,RED/MAROON,TRIM3#
BLUE,BLUE,TRIM8#
GREIGE,BEIGE,TRIM4#
GRAY,GRAY,TRIM1#
BLUE,BLUE,TRIM8#
BEIGE,BEIGE,TRIM4#
GRAY,GRAY,TRIM1#
BLUE,BLUE,TRIM8#
GREIGE,BEIGE,TRIM4#
BEIGE,BEIGE,TRIM4#
DARK WINE,RED/MAROON,TRIM3#
BLUE,BLUE,TRIM8#
GREIGE,BEIGE,TRIM4#
DARK WINE,RED/MAROON,TRIM3#
BLUE,BLUE,TRIM8#
GREIGE,BEIGE,TRIM4#
GRAY,GRAY,TRIM1#
BLUE,BLUE,TRIM8#
BEIGE,BEIGE,TRIM4#
67604BOARD SUB-ASSY, REAR DOOR TRIM, LH
GRAY,GRAY,TRIM1#
BLUE,BLUE,TRIM8#
GREIGE,BEIGE,TRIM4#
BEIGE,BEIGE,TRIM4#
DARK WINE,RED/MAROON,TRIM3#
BLUE,BLUE,TRIM8#
GREIGE,BEIGE,TRIM4#
GRAY,GRAY,TRIM1#
BLUE,BLUE,TRIM8#
BEIGE,BEIGE,TRIM4#
GRAY,GRAY,TRIM1#
BLUE,BLUE,TRIM8#
GREIGE,BEIGE,TRIM4#
BEIGE,BEIGE,TRIM4#
DARK WINE,RED/MAROON,TRIM3#
BLUE,BLUE,TRIM8#
GREIGE,BEIGE,TRIM4#
DARK WINE,RED/MAROON,TRIM3#
BLUE,BLUE,TRIM8#
GREIGE,BEIGE,TRIM4#
GRAY,GRAY,TRIM1#
BLUE,BLUE,TRIM8#
BEIGE,BEIGE,TRIM4#
67785BHOLDER, DOOR LOCKING BUTTON COLLAR(FOR REAR DOOR)
DARK WINE,RED/MAROON,TRIM3#
GRAY,GRAY,TRIM1#
BLUE,BLUE,TRIM8#
GREIGE,BEIGE,TRIM4#
BEIGE,BEIGE,TRIM4#
67803COVER SUB-ASSY, REAR DOOR SERVICE HOLE, RH
67804COVER SUB-ASSY, REAR DOOR SERVICE HOLE, LH
67811BPAD, SIDE PANEL SILENCER
67812PAD, REAR DOOR SILENCER
sub67812-12010
67867BCLIP, DOOR WEATHERSTRIP(FOR REAR DOOR)
67868BCLIP, DOOR GLASS WEATHERSTRIP(FOR REAR DOOR)
67871WEATHERSTRIP, REAR DOOR, RH
67872WEATHERSTRIP, REAR DOOR, LH
67887AWEATHERSTRIP, REAR DOOR, NO.2 RH
67888AWEATHERSTRIP, REAR DOOR, NO.2 LH
68124GLASS, REAR DOOR WINDOW, LH
*TEM,T=4.0
*TT,T=4.0
68142RUN, REAR DOOR GLASS
RUBBER
VINYL CHLORIDE
68188WEATHERSTRIP, REAR DOOR QUARTER WINDOW, RH
RH
LH
68190WEATHERSTRIP ASSY, REAR DOOR GLASS, INNER
68196SEAL, REAR DOOR BELT, RH
68197SEAL, REAR DOOR BELT, LH
68630CHECK ASSY, REAR DOOR
68630APIN(FOR REAR DOOR CHECK)
sub68617-90K00
6777130040WEATHERSTRIP, BACK DOOR TRIM, RH
main67771-30040
9015950100
main90159-50100
9017906070
main90179-06070
9165140612
main91651-40612
36 parts on this diagram · 1 diagram in section