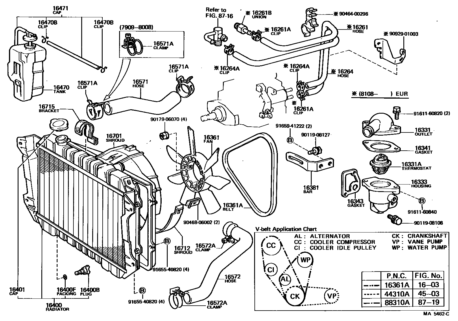
RADIATOR & WATER OUTLET

1603
16261HOSE, WATER BY-PASS
16261ACLAMP OR CLIP, HOSE(FOR WATER BY-PASS HOSE)
ID=24
ID=25
16261BUNION(FOR WATER BY-PASS HOSE)
16264HOSE, WATER BY-PASS, NO.2
16264ACLAMP OR CLIP(FOR WATER BY-PASS HOSE NO.2)
16331ATHERMOSTAT
*WAX 82-95,*(F)
*WAX 82-95,*(F)
16361FAN
7 BLADES
7 BLADES
5 BLADES
16361ABELT, V(FOR FAN & ALTERNATOR)
L=925
L=990
L=930
L=985
L=985
L=1000
16381BAR, FAN BELT ADJUSTING
16400RADIATOR ASSY
sub16400-45180
MIDDLE EAST SPEC
sub16400-41300
sub16400-44220
MIDDLE EAST SPEC,FIN PITCH=3.5
sub16400-45180
sub16400-41240
MIDDLE EAST SPEC,FIN PITCH=3.5
sub16400-54070
sub16400-41300
16400BPLUG, RADIATOR DRAIN COCK
16401CAP SUB-ASSY, RADIATOR
16470TANK ASSY, RADIATOR RESERVE
SWITZERLAND SPEC
16470BCLAMP OR CLIP(FOR RADIATOR RESERVE TANK HOSE)
16471CAP SUB-ASSY, RESERVE TANK
SWITZERLAND SPEC
16571HOSE, RADIATOR, INLET
16571ACLAMP OR CLIP, HOSE(FOR RADIATOR INLET)
RADIATOR SIDE,ID=43
16572ACLAMP OR CLIP, HOSE(FOR RADIATOR OUTLET NO.1)
RADIATOR SIDE,ID=46
BELT CASE SIDE,ID=49
BELT CASE SIDE,ID=50
16712SHROUD, FAN, NO.2
16715BRACKET, FAN SHROUD
4503
8716
8719
9011908108
main90119-08108
9011908127
main90119-08127
9017906070
main90179-06070
9046400296
main90464-00296
9046806002
main90468-06002
9092901003
main90929-01003
9161160820
main91611-60820
9161160840
main91611-60840
9165540820
main91655-40820
9165941222
main91659-41222
43 parts on this diagram · 5 diagrams in section