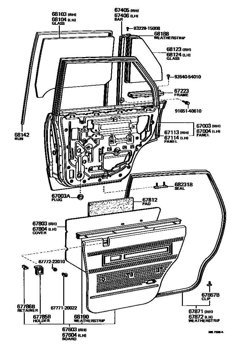
REAR DOOR PANEL & GLASS

67003PANEL SUB-ASSY, REAR DOOR, RH
67003APLUG, HOLE(FOR REAR DOOR PANEL)
67004PANEL SUB-ASSY, REAR DOOR, LH
67113PANEL, REAR DOOR, OUTER RH
67114PANEL, REAR DOOR, OUTER LH
67223FRAME, REAR DOOR QUARTER WINDOW, LOWER
67405BAR SUB-ASSY, REAR DOOR WINDOW DIVISION, RH
67406BAR SUB-ASSY, REAR DOOR WINDOW DIVISION, LH
67603BOARD SUB-ASSY, REAR DOOR TRIM, RH
GRAY,GRAY,TRIM1#
BROWN,BROWN,TRIM4#
GRAY,GRAY,TRIM1#
BROWN,BROWN,TRIM4#
GRAY,GRAY,TRIM1#
BROWN,BROWN,TRIM4#
IVORY,IVORY,TRIM0#
GRAY,GRAY,TRIM1#
BROWN,BROWN,TRIM4#
IVORY,IVORY,TRIM0#
GRAY,GRAY,TRIM1#
BLUE,BLUE,TRIM8#
BEIGE,BEIGE,TRIM4#
GRAY,GRAY,TRIM1#
BLUE,BLUE,TRIM8#
BEIGE,BEIGE,TRIM4#
GRAY,GRAY,TRIM1#
BROWN,BROWN,TRIM4#
67604BOARD SUB-ASSY, REAR DOOR TRIM, LH
GRAY,GRAY,TRIM1#
BROWN,BROWN,TRIM4#
GRAY,GRAY,TRIM1#
BROWN,BROWN,TRIM4#
GRAY,GRAY,TRIM1#
BROWN,BROWN,TRIM4#
IVORY,IVORY,TRIM0#
GRAY,GRAY,TRIM1#
BROWN,BROWN,TRIM4#
IVORY,IVORY,TRIM0#
GRAY,GRAY,TRIM1#
BLUE,BLUE,TRIM8#
BEIGE,BEIGE,TRIM4#
GRAY,GRAY,TRIM1#
BLUE,BLUE,TRIM8#
BEIGE,BEIGE,TRIM4#
GRAY,GRAY,TRIM1#
BROWN,BROWN,TRIM4#
67785BHOLDER, DOOR LOCKING BUTTON COLLAR(FOR REAR DOOR)
67786BRETAINER, DOOR LOCKING BUTTON COLLAR(FOR REAR DOOR)
67803COVER SUB-ASSY, REAR DOOR SERVICE HOLE, RH
67804COVER SUB-ASSY, REAR DOOR SERVICE HOLE, LH
67812PAD, REAR DOOR SILENCER
sub67812-12010
67867BCLIP, DOOR WEATHERSTRIP(FOR REAR DOOR)
67871WEATHERSTRIP, REAR DOOR, RH
67872WEATHERSTRIP, REAR DOOR, LH
68103GLASS SUB-ASSY, REAR DOOR, RH
TN.TP.T=4.0
TN.TP.T=5.0
TN.TP.T=4.0
68104GLASS SUB-ASSY, REAR DOOR, LH
TN.TP.T=4.0
TN.TP.T=5.0
TN.TP.T=4.0
68123GLASS, REAR DOOR WINDOW, RH
TN.TP.T=4.0
TN.TP.T=4.0
68124GLASS, REAR DOOR WINDOW, LH
TN.TP.T=4.0
TN.TP.T=4.0
68188WEATHERSTRIP, REAR DOOR QUARTER WINDOW, RH
RH.
RH.
LH.
LH.
68190WEATHERSTRIP ASSY, REAR DOOR GLASS, INNER
RH.
RH.
LH.
LH.
68231BSEAL, REAR DOOR DRAIN HOLE DUST
6777120022WEATHERSTRIP, BACK DOOR TRIM, RH
main67771-20022
6777222010WEATHERSTRIP, BACK DOOR TRIM, LH
main67772-22010
9165140610
main91651-40610
9322915008
main93229-15008
9354054010
main93540-54010
31 parts on this diagram · 2 diagrams in section