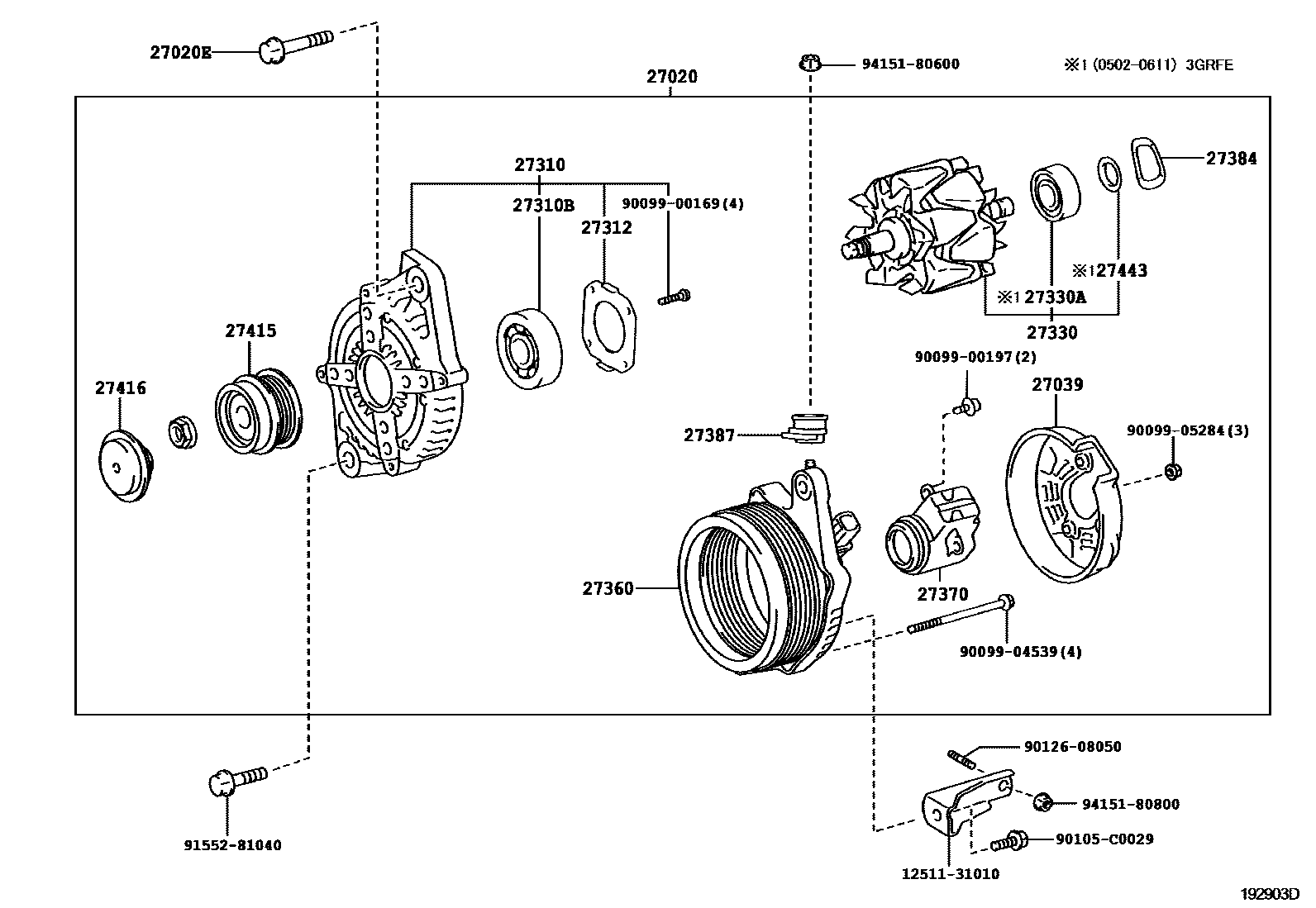
ALTERNATOR

27020ALTERNATOR ASSY
12V 130A
12V 150A
12V 150A
27020EBOLT(FOR ALTERNATOR)
(L)
(J)
27039COVER, ALTERNATOR REAR END
27310FRAME ASSY, DRIVE END, ALTERNATOR
27312PLATE, RETAINER
27330ROTOR ASSY, ALTERNATOR
27330ABEARING(FOR ALTERNATOR ROTOR)
27370HOLDER ASSY, ALTERNATOR BRUSH
27384WASHER
27387INSULATOR, TERMINAL
27416CAP, ALTERNATOR PULLEY
27443COVER, ALTERNATOR BEARING
1251131010BRACKET, ALTERNATOR, NO.1
main12511-31010
9009900169
main90099-00169
9009900197
main90099-00197
9009904539
main90099-04539
9009905284
main90099-05284
90105C0029
main90105-C0029
9012608050
main90126-08050
9155281040
main91552-81040
9415180600
main94151-80600
9415180800
main94151-80800
25 parts on this diagram · 1 diagram in section