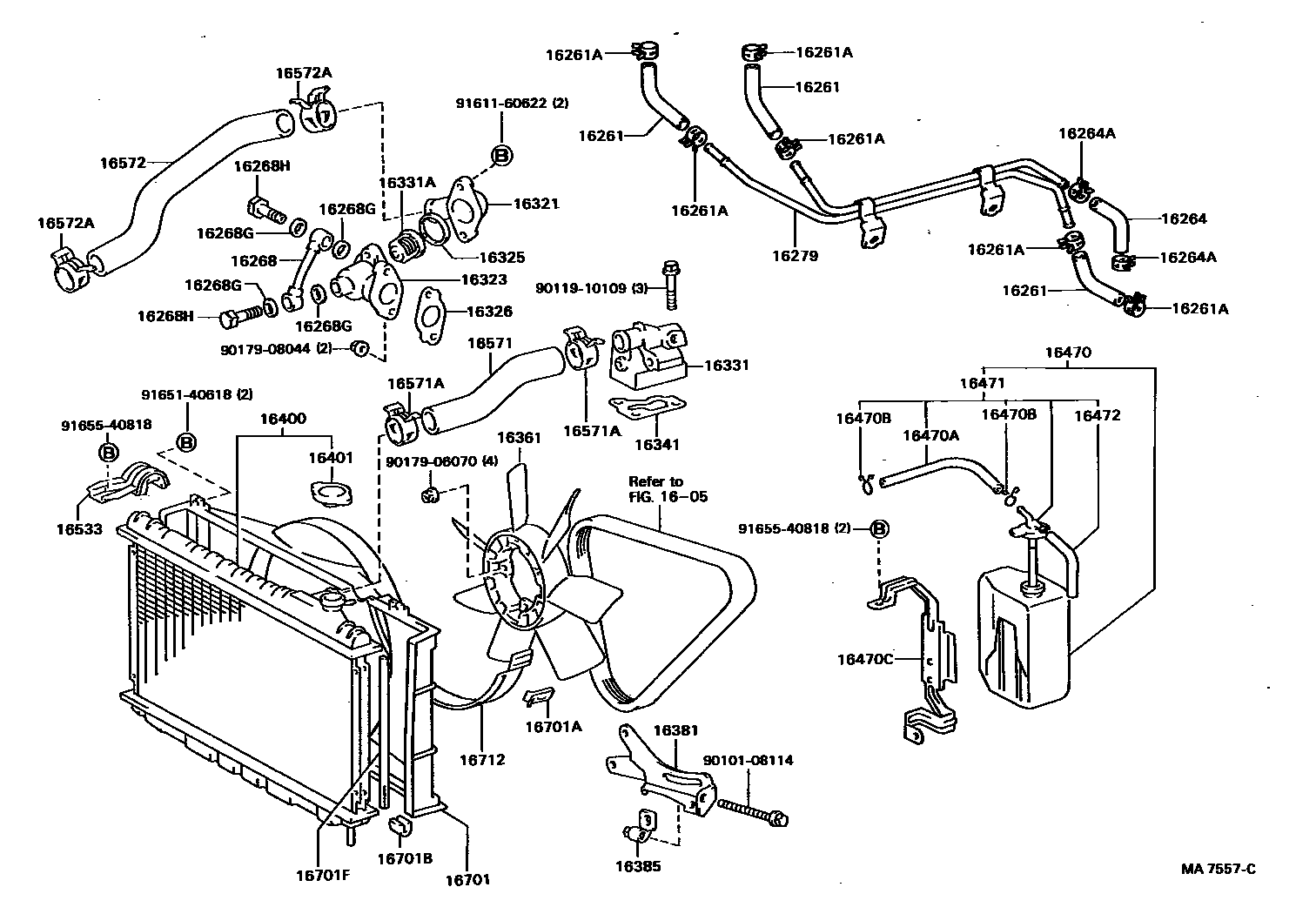
RADIATOR & WATER OUTLET

1605
16264HOSE, WATER BY-PASS, NO.2
L=100
16268GGASKET(FOR WATER BY-PASS PIPE)
16268HBOLT, UNION(FOR WATER BY-PASS PIPE)
16279PIPE, WATER BY-PASS, NO.3
16321INLET, WATER
16323HOUSING, WATER INLET
16325GASKET, WATER INLET HOUSING, NO.1
sub16325-63011
16326GASKET, WATER INLET HOUSING, NO.2
sub16326-70012
16331ATHERMOSTAT
*WAX 88-100
*WAX 88-100
16385SLIDER, FAN BELT ADJUSTING
16400RADIATOR ASSY
SINGLE ROW
DOUBLE ROW
DOUBLE ROW
sub16400-54411
sub16400-70100
sub16400-70120
sub16400-73260
SINGLE ROW
16401CAP SUB-ASSY, RADIATOR
16470TANK ASSY, RADIATOR RESERVE
16470AHOSE OR PIPE(FOR RADIATOR RESERVE TANK)
NO.1
L=1450(*H,L=900)
L=1800(*H,L=200),NO.2
L=1000(*H,L=220)
L=1000(*H,L=250)
16470BCLAMP OR CLIP(FOR RADIATOR RESERVE TANK HOSE)
16470CBRACKET(FOR RADIATOR RESERVE TANK)
16471CAP SUB-ASSY, RESERVE TANK
16472HOSE, BREATHER
16533SUPPORT, RADIATOR, UPPER
16571HOSE, RADIATOR, INLET
16571ACLAMP OR CLIP, HOSE(FOR RADIATOR INLET)
16572HOSE, RADIATOR, OUTLET
16572ACLAMP OR CLIP, HOSE(FOR RADIATOR OUTLET NO.1)
sub90467-37003
sub90467-37005
RADIATOR SIDE
PUMP SIDE
WATER PUMP SIDE
16701ACLIP(FOR FAN SHROUD)
W/COOLER
16701BCUSHION, FAN SHROUD
16701FSEAL(FOR FAN SHROUD)
16712SHROUD, FAN, NO.2
W/COOLER
W/COOLER
W/COOLER
W/COOLER
9010108114
main90101-08114
9011910109
main90119-10109
9017906070
main90179-06070
9017908044
main90179-08044
9161160622
main91611-60622
9165140618
main91651-40618
9165540818
main91655-40818
44 parts on this diagram · 11 diagrams in section