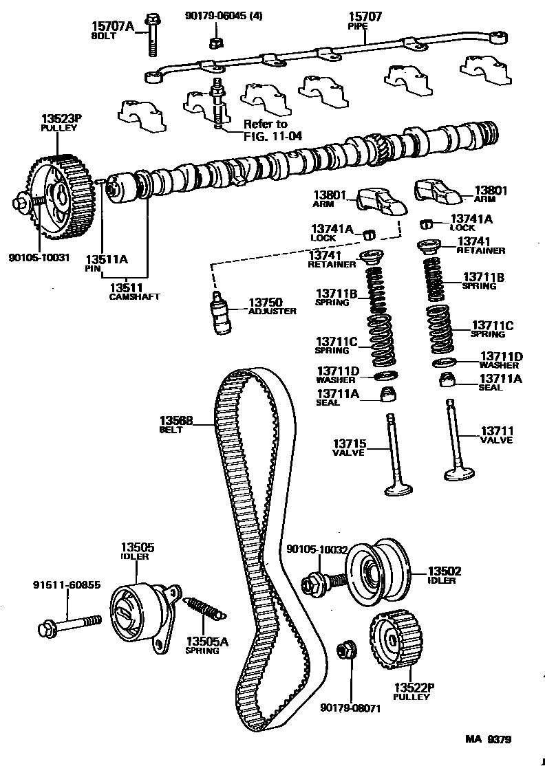
CAMSHAFT & VALVE

1104
13511APIN, STRAIGHT(FOR CAMSHAFT KNOCK)
L=23,OD=8
L=13.8,OD=5.0
L=15,OD=5
L=14,OD=6,L=14,OD=6
13522GEAR, PUMP DRIVE SHAFT
N=30
13523GEAR OR SPROCKET, CAMSHAFT TIMING
N=36
N=36
N=40
13711ASEAL OR RING, O(FOR VALVE STEM OIL)
EXHAUST
INTAKE
sub90913-02110
sub90913-02059
sub90913-02073
*54,BLACK
sub90913-02102
sub90913-02080
13711BSPRING, COMPRESSION(FOR INNER)
WD=2.6,CW=7.75
sub90501-32016
sub90501-32022
WD=4.35,CW=6.25
INTAKE
EXHAUST
sub90501-46001
13711CSPRING, COMPRESSION(FOR OUTER)
WD=4.5,CW=6.2
13711DWASHER, PLATE(FOR VALVE SPRING SEAT)
13741RETAINER, VALVE SPRING
EXHAUST
INTAKE
INTAKE
13741ALOCK, VALVE SPRING RETAINER
13750ADJUSTER ASSY, VALVE LASH
15707PIPE SUB-ASSY, OIL
15707ABOLT, UNION(FOR OIL PIPE)
9010510031
main90105-10031
9010510032
main90105-10032
9017906045
main90179-06045
9017908071
main90179-08071
9151160855
main91511-60855
28 parts on this diagram · 7 diagrams in section