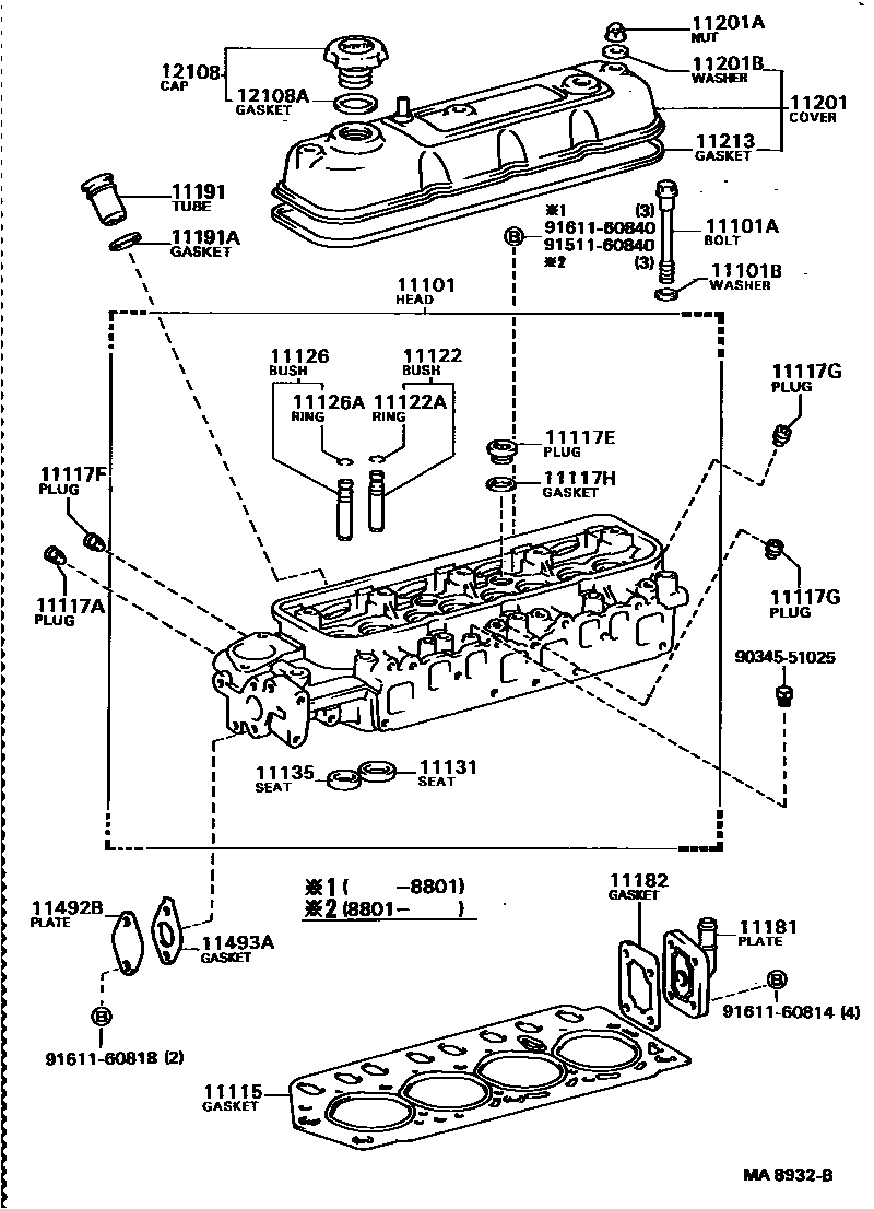
CYLINDER HEAD

11101ABOLT(FOR CYLINDER HEAD SET)
*10-1.25PX97.5-22
*12-1.25PX96-22
*12-1.25PX166.5-21
11101BWASHER, PLATE(FOR CYLINDER HEAD SET)
11115GASKET, CYLINDER HEAD
sub11115-35021
sub11115-37021
sub11115-54021
sub11115-71011
sub11115-73040
sub11115-88302
11117APLUG, W/HEAD TAPER SCREW, NO.1
OD=32
11117EPLUG, W/HEAD STRAIGHT SCREW, NO.1
11117FPLUG, W/HEAD STRAIGHT SCREW, NO.2
11117HGASKET(FOR WATER HOLE)
PNC 11118B
PNC 11118A
11122BUSH, INTAKE VALVE GUIDE
STD,STD
STD,STD
STD,STD
STD,STD
STD,STD
STD,STD
O/S 0.05,O/S 0.05
O/S 0.05,O/S 0.05
O/S 0.05,O/S 0.05
O/S 0.05,O/S 0.05
O/S 0.05,O/S 0.05
O/S 0.05,O/S 0.05
STD,STD
O/S 0.05,O/S 0.05
11122ARING, SHAFT SNAP (FOR VALVE GUIDE BUSH)
11126BUSH, EXHAUST VALVE GUIDE
STD,STD
STD,STD
STD,STD
STD,STD
O/S 0.05,O/S 0.05
O/S 0.05,O/S 0.05
O/S 0.05,O/S 0.05
O/S 0.05,O/S 0.05
STD,STD
STD,STD
STD,STD
O/S 0.05,O/S 0.05
O/S 0.05,O/S 0.05
O/S 0.05,O/S 0.05
11126ARING, SHAFT SNAP(FOR VALVE GUIDE BUSH)
11131SEAT, INTAKE VALVE
STD,STD
STD,STD
STD,STD
STD,STD
STD,STD
O/S 0.03,O/S 0.03
O/S 0.03,O/S 0.03
O/S 0.03,O/S 0.03
O/S 0.03,O/S 0.03
O/S 0.03,O/S 0.03
11135SEAT, EXHAUST VALVE
STD,STD
STD,STD
STD,STD
STD,STD
STD,STD
O/S 0.03,O/S 0.03
O/S 0.03,O/S 0.03
O/S 0.03,O/S 0.03
O/S 0.03,O/S 0.03
O/S 0.03,O/S 0.03
11181PLATE, CYLINDER HEAD, REAR
EXCL/SAUDI ARABIA,W/O HEATER
EXCL/SAUDI ARABIA
SINGAPORE SPEC,W/O HEATER
SAUDI ARABIA SPEC
11191TUBE, SPARK PLUG
11191AGASKET(FOR SPARK PLUG TUBE)
sub90430-31003
11201COVER SUB-ASSY, CYLINDER HEAD
sub11201-35031
sub11201-35032
sub11201-49147
NO.1
sub11201-54080
sub11201-54090
NO.1
NO.2
NO.2
11201ANUT, CAP(FOR CYLINDER HEAD COVER)
11492BPLATE, WATER SEAL
11493AGASKET, WATER SEAL PLATE
sub11493-71011
9034551025
main90345-51025
9151160840
main91511-60840
9161160814
main91611-60814
9161160818
main91611-60818
9161160840
main91611-60840
33 parts on this diagram · 9 diagrams in section