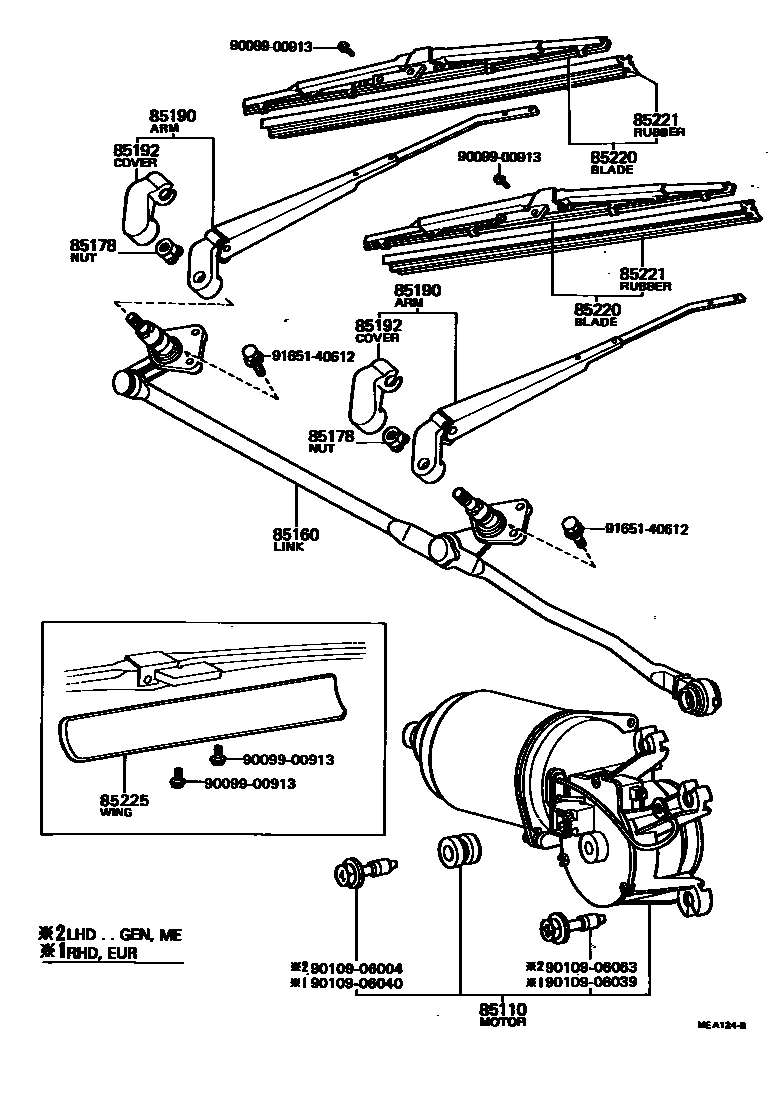
WINDSHIELD WIPER

85178NUT (FOR FRONT WIPER ARM SETTING)
85190ARM ASSY, WINDSHIELD WIPER
LH
RH
RH
LH
RH
RH
LH
LH
RH
LH
LH
RH
RH
85192COVER, WINDSHIELD WIPER ARM
85221BLADE, WINDSHIELD WIPER
sub85223-12690
sub85221-22050
sub85221-14180
sub85221-14H90
sub85221-40040
sub85221-40040
85225WING, WIPER BLADE
9009900913
main90099-00913
9010906004
main90109-06004
9010906039
main90109-06039
9010906040
main90109-06040
9010906063
main90109-06063
9165140612
main91651-40612
14 parts on this diagram · 3 diagrams in section