E
EPC Data

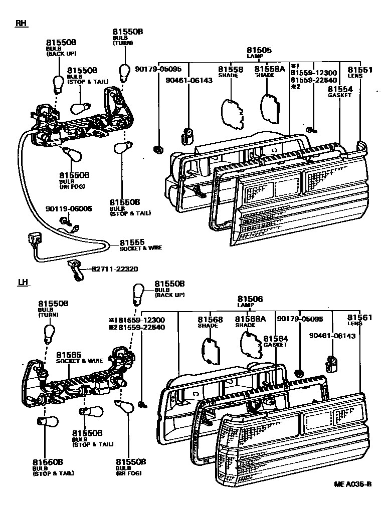
REAR COMBINATION LAMP

Parts diagram
81505LAMP SUB-ASSY, REAR COMBINATION, RH
main81505-29305i198009-198110
KOITO
main81505-29306i198208-198504
main81505-29315i198009-198110
KOITO
main81505-29316i198110-198112
KOITO
main81505-29335i198009-198110
W/RR FOG LAMP
main81505-29336i198110-198112
W/RR FOG LAMP
main81505-29355i198009-198208
STANLAY
main81505-29365i198112-198208
STANLAY
main81505-29425i198208-198407
81506LAMP SUB-ASSY, REAR COMBINATION, LH
main81506-29225i198009-198110
KOITO
main81506-29226i198110-198208
KOITO
main81506-29235i198009-198110
KOITO
main81506-29236i198112-198208
KOITO
main81506-29255i198009-198110
W/RR FOG LAMP
main81506-29256i198112-198407
W/RR FOG LAMP
main81506-29275i198009-198208
STANLAY
main81506-29285i198112-198208
STANLAY
main81506-29345i198208-198407
81550LAMP ASSY, REAR COMBINATION, RH
main81550-80094i198009-198208
main81550-80095i198009-198208
main81550-80140i198208-198504
main81550-80141i198208-198407
81550BBULB(FOR REAR COMBINATION LAMP)
main99132-11210×4i198009-198208
12V 21W,12V 21W(TURN OR BACK UP)
main99132-11230×4i198009-198208
12V 23W,12V 23W(TURN OR BACK UP)
main99132-21210×4i198009-198504
12V 21/5W,12V 21/5W(STOP & TAIL)
81551LENS, REAR COMBINATION LAMP, RH
main81551-22490i198009-198208
KOITO
main81551-22500i198208-198407
main81551-22540i198009-198208
STANLAY
main81551-22550i198009-198208
STANLAY
main81551-22580i198208-198407
main81551-91601i198009-198208
main81551-91602i198009-198208
main81551-91604i198208-198504
main81551-91605i198208-198407
81554GASKET, REAR COMBINATION LAMP BODY, RH
main81552-22531i198208-198407
main81554-22490i198208-198504
KOITO
main81554-22540i198009-198208
STANLAY
main81554-91601i198009-198504
81555SOCKET & WIRE SUB-ASSY, REAR COMBINATION LAMP, RH
main81555-22490i198208-198504
main81555-22500i198009-198112
KOITO
main81555-22520i198112-198407
W/RR FOG LAMP
main81555-22540i198009-198208
STANLAY
main81555-22550i198009-198112
STANLAY
main81555-22580i198208-198407
main81555-91601i198009-198208
main81555-91602i198009-198208
main81555-91604i198208-198504
main81555-91605i198208-198407
81558SHADE, REAR COMBINATION LAMP, NO.1 RH
main81557-22500i198208-198407
main81558-91601i198009-198208
81558ASHADE, REAR COMBINATION LAMP, NO.2 RH
main81558-22500i198009-198208
KOITO
81561LENS, REAR COMBINATION LAMP, LH
main81561-22490i198208-198504
main81561-22500i198009-198208
KOITO
main81561-22540i198009-198208
STANLAY
main81561-22550i198009-198208
STANLAY
main81561-22580i198208-198407
main81561-91601i198009-198208
main81561-91602i198009-198208
main81561-91605i198208-198504
main81561-91606i198208-198407
81564GASKET, REAR COMBINATION LAMP BODY, LH
main81552-22531i198208-198407
main81554-22490i198208-198504
KOITO
main81554-22540i198009-198208
STANLAY
main81554-91601i198009-198504
81565SOCKET & WIRE SUB-ASSY, REAR COMBINATION LAMP, LH
main81555-91601i198009-198208
main81555-91602i198009-198208
main81555-91604i198208-198504
main81555-91605i198208-198407
main81565-22490i198009-198208
KOITO
main81565-22500i198112-198208
KOITO
main81565-22520i198112-198407
W/RR FOG LAMP
main81565-22540i198009-198208
STANLAY
main81565-22550i198112-198208
STANLAY
main81565-22580i198208-198407
81568SHADE, REAR COMBINATION LAMP, NO.1 LH
main81557-22500i198208-198407
main81568-91601i198009-198208
81568ASHADE, REAR COMBINATION LAMP, NO.2 LH
main81558-22500i198009-198208
KOITO
8155912300MOULDING, REAR COMBINATION LAMP, RH
8155922540MOULDING, REAR COMBINATION LAMP, RH
8271122320WIRE, FUSE TO FUSE(FOR COMBUSTION HEATER)
9011906005
9017905095
9046106143

20 parts on this diagram · 4 diagrams in section

REAR COMBINATION LAMP — Toyota Parts Diagram with OEM Numbers & Prices | EPC Data