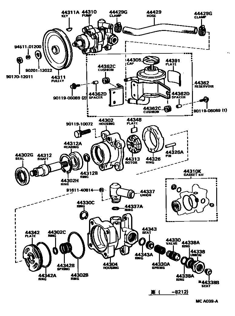
VANE PUMP & RESERVOIR (POWER STEERING)

44302HOUSING SUB-ASSY, VANE PUMP, FRONT
44302BRING, O, NO.1(FOR VANE PUMP HOUSING)
44302GSEAL, OIL, NO.2(FOR VANE PUMP HOUSING)
44302HRING, SNAP, NO.1(FOR VANE PUMP HOUSING)
44304HOUSING SUB-ASSY, VANE PUMP, REAR
44305CAP SUB-ASSY, VANE PUMP OIL RESERVOIR
sub44305-22040
44311AKEY, VANE PUMP PULLEY
44312SHAFT, VANE PUMP
44312ABEARING(FOR VANE PUMP SHAFT)
44312BRING, SNAP, NO.1(FOR VANE PUMP SHAFT)
sub90520-15005
44313ROTOR, VANE PUMP
44326RING, CAM(FOR VANE PUMP)
NO MARK
MARK 1,MARK 1
MARK 2,MARK 2
MARK 3,MARK 3
MARK 4,MARK 4
44326APIN, STRAIGHT(FOR VANE PUMP CAM RING)
L=25,OD=5.0
44330VALVE ASSY, FLOW CONTROL
MARK A
MARK B
MARK C
MARK D
MARK E
MARK F
44330ASPRING, COMPRESSION(FOR FLOW CONTROL VALVE)
44330CRING, SNAP(FOR FLOW CONTROL VALVE)
44337UNION, POWER STEERING SUCTION PORT
44338ARING, O(FOR PRESSURE PORT UNION)
OD=25.5,ID=22.5
OD=25.5,ID=22.5,ID=22.5,OD=25.5
ID=22.7,OD=25.1
OD=17.0,ID=13.0
44338BSEAT, UNION(FOR PRESSURE PORT UNION)
44342PLATE, VANE PUMP SIDE, REAR
44342ARING, O(FOR VANE PUMP SIDE PLATE REAR)
44342BSPRING, COMPRESSION(FOR VANE PUMP SIDE PLATE REAR)
44343SEAT, FLOW CONTROL SPRING
44348PLATE, VANE PUMP
L=14.997,L=14.996-14.998,ROTOR NO MARK
L=14.995,L=14.994-14.996,ROTOR MARK 1
L=14.993,L=14.992-14.994,ROTOR MARK 2
L=14.991,L=14.990-14.992,ROTOR MARK 3
L=14.989,L=14.988-14.990,ROTOR MARK 4
44362CCUSHION(FOR VANE PUMP OIL RESERVOIR)
44362DSPACER(FOR VANE PUMP OIL RESERVOIR)
44391PLATE, POWER STEERING OIL RESERVOIR CAUTION
44429HOSE, RESERVOIR TO OIL PUMP
44429GCLAMP, RESERVOIR TO OIL PUMP HOSE
9011906089
main90119-06089
9011910072
main90119-10072
9017012011
main90170-12011
9020112022
main90201-12022
9161140814
main91611-40814
9451101200
main94511-01200
43 parts on this diagram · 6 diagrams in section