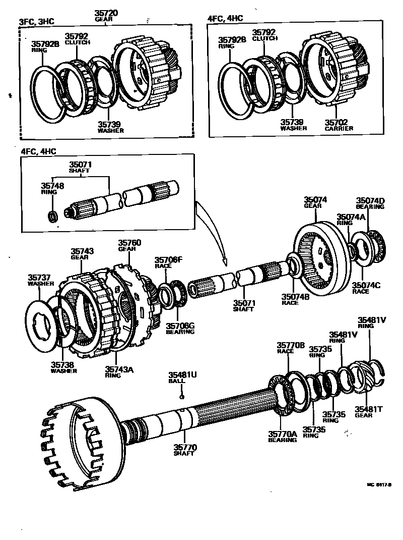
PLANETARY GEAR, REVERSE PISTON & COUNTER GEAR(ATM)

35071SHAFT SUB-ASSY, PLANETARY INTERMEDIATE
35074ARING, SET (FOR REAR PLANETARY RING GEAR)
35074BRACE, THRUST BEARING (FOR REAR PLANETARY RING GEAR FRONT)
35074CRACE, THRUST BEARING (FOR REAR PLANETARY RING GEAR REAR)
35074DBEARING, THRUST (FOR REAR PLANETARY RING GEAR REAR)
35481TGEAR, SPEEDMETER DRIVE (ATM)
N=6,MARK 6X18-20,N=6
35481UKEY OR BALL, SPEEDMETER DRIVE GEAR (ATM)
35481VRING OR SPACER (FOR ATM SPEEDMETER DRIVE GEAR)
T=1.50,OD=33.8
35706FRACE, THRUST BEARING (FOR SUN GEAR REAR)
35706GBEARING, THRUST (FOR SUN GEAR REAR)
35720GEAR ASSY, FRONT PLANETARY
35735RING, PLANETARY OUTPUT SNAP
35737WASHER, PLANETARY CARRIER THRUST
35738WASHER, PLANETARY CARRIER THRUST, NO.2
35739WASHER, PLANETARY CARRIER THRUST, NO.3
35743GEAR, FRONT PLANETARY RING
35743ARING, SHAFT SNAP (FOR FRONT PLANETARY RING GEAR)
35748RING, INTERMEDIATE SHAFT SLEEVE OIL SEAL
35770ABEARING, THRUST (FOR OUTPUT SHAFT)
35770BRACE, THRUST BEARING (FOR OUTPUT SHAFT)
35792BRING, HOLE SNAP (FOR 1 WAY CLUTCH NO.2)
26 parts on this diagram · 1 diagram in section