E
EPC Data

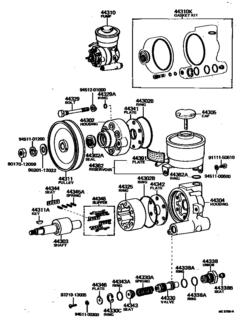
VANE PUMP & RESERVOIR (POWER STEERING)

Parts diagram
44302HOUSING SUB-ASSY, VANE PUMP, FRONT
main44302-30020i197612-198008
44302ASEAL, OIL, NO.1(FOR VANE PUMP HOUSING)
main90310-21034i197612-198008
44302BRING, O, NO.1(FOR VANE PUMP HOUSING)
main90301-69170i197612-198008
44303SHAFT SUB-ASSY, W/ROTOR
main44303-22011i197612-198008
L=39.9750-39.9775
main44303-22021i197612-198008
L=39.9725-39.9750
44304HOUSING SUB-ASSY, VANE PUMP, REAR
main44304-30022i197612-198008
44305CAP SUB-ASSY, VANE PUMP OIL RESERVOIR
main44305-30020i197612-198008
44310PUMP ASSY, VANE
main44320-22040i197908-198008
main44320-30041i197612-197908
44310KGASKET KIT, POWER STEERING PUMP
main04446-30010i197612-198008
44311PULLEY, VANE PUMP
main44311-22010i197704-197707
main44311-30020i197612-197704
main44311-30030i197707-198008
44311AKEY, VANE PUMP PULLEY
main90280-05008i197612-198008
44325RING, FIXED(FOR VANE PUMP)
main44325-30030i197612-198008
MARK 1,L=39.9950-39.9975
main44325-30040i197612-198008
MARK 2,L=39.9975-40.0000
44329BOLT, VANE PUMP FRONT HOUSING & REAR HOUSING SET
main44329-30010i197612-198008
L=76.5
main44329-30020i197612-198008
L=78.5
44329ARING, O(FOR VANE PUMP HOUSING SET BOLT)
main96710-01007i197612-198008
44330VALVE ASSY, FLOW CONTROL
main44330-30041i197612-198008
MARK A
main44330-30051i197612-198008
MARK B
main44330-30061i197612-198008
MARK C
main44330-30071i197612-198008
MARK D
main44330-30081i197612-198008
MARK E
main44330-30091i197612-198008
MARK F
44330ASPRING, COMPRESSION(FOR FLOW CONTROL VALVE)
main90501-12447i197612-198008
44330CRING, SNAP(FOR FLOW CONTROL VALVE)
main96151-01700i197612-198008
44338UNION, PRESSURE PORT
main44338-30011i197612-198008
44338ARING, O(FOR PRESSURE PORT UNION)
main96710-01014i197612-198008
ID=14,OD=17
44338BSEAT, UNION(FOR PRESSURE PORT UNION)
main90410-06030i197612-198008
44341PLATE, VANE PUMP SIDE, FRONT
main44341-30020i197612-198008
44342PLATE, VANE PUMP SIDE, REAR
main44341-30020i197612-198008
44343SEAT, FLOW CONTROL SPRING
main44343-30020i197612-198008
44343ARING, O(FOR FLOW CONTROL SPRING SEAT)
main96710-01014i197612-198008
44344SEAT, SPRING(FOR VANE PUMP)
main44344-30010i197612-198008
44345SLIPPER, VANE PUMP
main44307-22010i197612-198008
NO MARK,L=39.942-39.937
main44307-22020i197612-198008
NO MARK,L=39.937-39.932
44345ASPRING, COMPRESSION(FOR VANE PUMP SLIPPER)
main90501-06445i197612-198008
44346PLATE, SNAP RING LOCK
main44346-30020i197612-198008
44362RESERVOIR, OIL(FOR VANE PUMP)
main44306-22050i197908-198008
main44306-30031i197612-197908
44362ARING, O(FOR VANE PUMP OIL RESERVOIR)
main96710-01013i197612-198008
44391PLATE, POWER STEERING OIL RESERVOIR CAUTION
main44391-30010i197612-198008
9017012009
9020112022
9111150610
9321913005
9451100300
9451100600
9451101200
9451201000

38 parts on this diagram · 1 diagram in section

VANE PUMP & RESERVOIR (POWER STEERING) — Toyota Parts Diagram with OEM Numbers & Prices | EPC Data