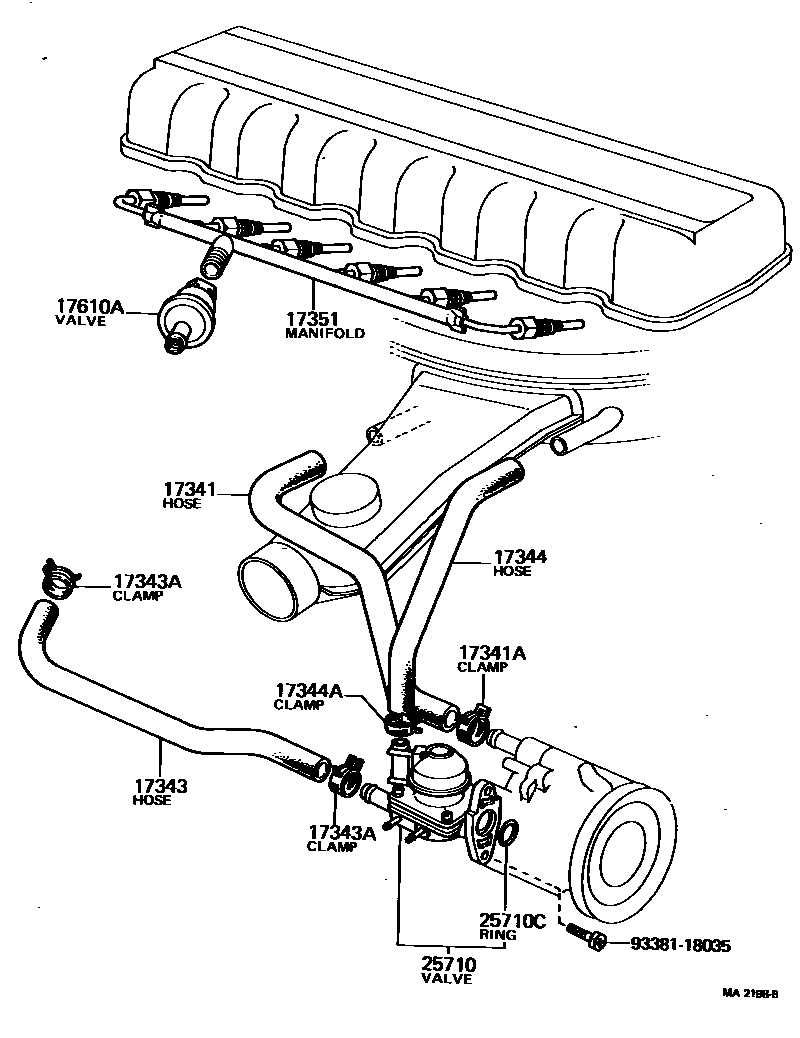
MANIFOLD AIR INJECTION SYSTEM

17341HOSE, NO.1(FOR AIR INJECTION SYSTEM)
17341ACLAMP OR CLIP, NO.1(FOR AIR INJECTION SYSTEM HOSE, NO.1)
sub90467-28007
17343HOSE, NO.3(FOR AIR INJECTION SYSTEM)
17344HOSE, NO.4(FOR AIR INJECTION SYSTEM)
17344ACLAMP OR CLIP, NO.4(FOR AIR INJECTION SYSTEM HOSE, NO.4)
sub96134-52600
17351MANIFOLD, AIR INJECTION
17610AVALVE, CHECK(FOR AIR INJECTION SYSTEM)
25710VALVE ASSY, AIR SWITCHING
25710CRING, O
9338118035
main93381-18035
11 parts on this diagram · 2 diagrams in section