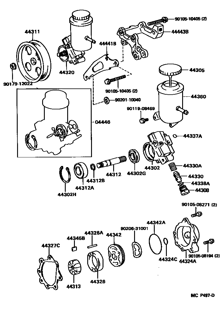
VANE PUMP & RESERVOIR (POWER STEERING)

04446GASKET KIT, POWER STEERING PUMP
44302HOUSING SUB-ASSY, VANE PUMP, FRONT
44302GSEAL, OIL, NO.2(FOR VANE PUMP HOUSING)
44302HRING, SNAP, NO.1(FOR VANE PUMP HOUSING)
44308UNION SUB-ASSY, PRESSURE PORT
44311PULLEY, VANE PUMP
sub44311-22091
44312SHAFT, VANE PUMP
OD=17.009-17.014
OD=17.004-17.009
44312ABEARING(FOR VANE PUMP SHAFT)
sub90363-17013
44312BRING, SNAP, NO.1(FOR VANE PUMP SHAFT)
sub90520-15005
44313ROTOR, VANE PUMP
NO MARK
MARK 1
MARK 2
MARK 3
MARK 4
44320PUMP ASSY, VANE
44324AHOUSING, PUMP, REAR
44324CRING, O(FOR PUMP HOUSING REAR)
44326RING, CAM(FOR VANE PUMP)
NO MARK
MARK 1
MARK 2
MARK 3
MARK 4
44326APIN, STRAIGHT(FOR VANE PUMP CAM RING)
L=23.3,OD=4.0
44327CGASKET, VANE PUMP HOUSING
44330VALVE ASSY, FLOW CONTROL
MARK A
MARK B
MARK C
MARK D
MARK E
MARK F
MARK A
MARK B
MARK C
MARK D
MARK E
MARK F
44330ASPRING, COMPRESSION(FOR FLOW CONTROL VALVE)
44337UNION, POWER STEERING SUCTION PORT
44337ARING, O(FOR POWER STEERING SUCTION PORT)
sub90301-11016
44338ARING, O(FOR PRESSURE PORT UNION)
44342PLATE, VANE PUMP SIDE, REAR
44342ARING, O(FOR VANE PUMP SIDE PLATE REAR)
44345BPLATE, VANE PUMP
L=15.000
L=14.998
L=14.996
L=14.994
L=14.992
44441BBRACKET, PUMP, FRONT
44443BBRACKET, VANE PUMP
9010508194
main90105-08194
9010508271
main90105-08271
9010510405
main90105-10405
9011908469
main90119-08469
9017912022
main90179-12022
9020110040
main90201-10040
9020631001
main90206-31001
35 parts on this diagram · 2 diagrams in section