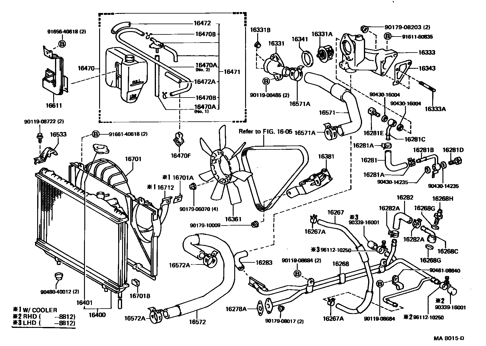
RADIATOR & WATER OUTLET

1605
16267HOSE, WATER BY-PASS, NO.3
16267ACLAMP OR CLIP(FOR WATER BY-PASS HOSE NO.3)
sub96135-51300
16268CUNION, WATER BY-PASS PIPE
16268HBOLT, UNION(FOR WATER BY-PASS PIPE)
16281HOSE, WATER BY-PASS, NO.4
16281ACLAMP OR CLIP(FOR WATER BY-PASS HOSE NO.4)
16281BUNION, WATER BY-PASS PIPE, NO.2
16281CUNION, WATER BY-PASS PIPE, NO.3
16281EBOLT, UNION(FOR WATER BY-PASS PIPE UNION NO.3)
sub90401-16019
16282HOSE, WATER BY-PASS, NO.5
16282ACLAMP OR CLIP(FOR WATER BY-PASS HOSE NO.5)
sub90467-21010
16283HOSE, WATER BY-PASS, NO.6
16331ATHERMOSTAT
*WAX 88-100
16331BPLUG(FOR WATER OUTLET)
16333HOUSING, WATER OUTLET
16333ABOLT, STUD(FOR WATER OUTLET HOUSING)
16341GASKET, WATER OUTLET
16361FAN
16381BAR, FAN BELT ADJUSTING
16470TANK ASSY, RADIATOR RESERVE
sub16470-42050
16470AHOSE OR PIPE(FOR RADIATOR RESERVE TANK)
L=1000,NO.1
L=600,NO.2
16470BCLAMP OR CLIP(FOR RADIATOR RESERVE TANK HOSE)
16470FCLAMP, RADIATOR RESERVE TANK HOSE
16471CAP SUB-ASSY, RESERVE TANK
16472HOSE, BREATHER
16472APROTECTOR, HOSE
16533SUPPORT, RADIATOR, UPPER
16571HOSE, RADIATOR, INLET
16572HOSE, RADIATOR, OUTLET
16572ACLAMP OR CLIP, HOSE(FOR RADIATOR OUTLET NO.1)
sub90467-37005
16611BRACKET, RADIATOR RESERVE TANK
16701SHROUD SUB-ASSY, FAN
16701ACLIP(FOR FAN SHROUD)
16701BCUSHION, FAN SHROUD
16712SHROUD, FAN, NO.2
9011906485
main90119-06485
9011908684
main90119-08684
9011908722
main90119-08722
9017906070
main90179-06070
9017908017
main90179-08017
9017908203
main90179-08203
9017910009
main90179-10009
9033916001
main90339-16001
9043014235
main90430-14235
9043016004
main90430-16004
9046108640
main90461-08640
9048040012
main90480-40012
9161160835
main91611-60835
9165640618
main91656-40618
9166140618
main91661-40618
9611210250
main96112-10250
61 parts on this diagram · 3 diagrams in section