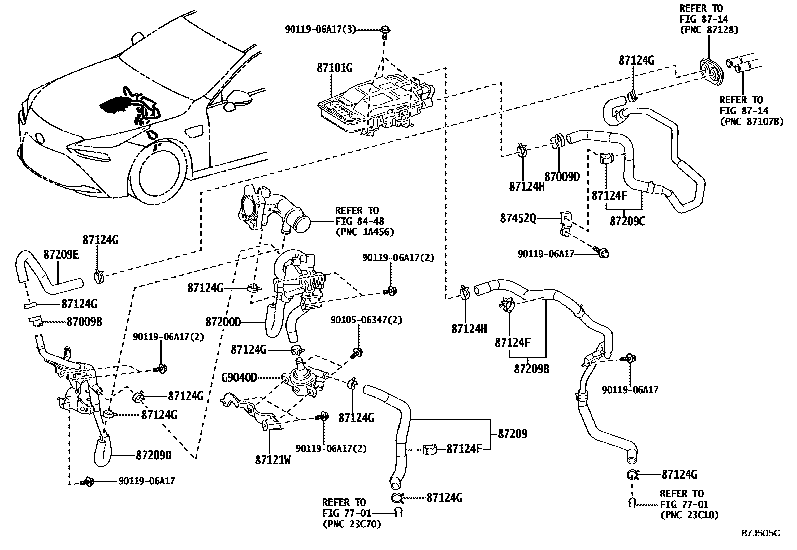
HEATING & AIR CONDITIONING - WATER PIPING

7701
8448
87009BHOSE SET, WATER
87009DHOSE SET, WATER, NO.2
87101GHEATER SUB-ASSY, ELECTRIC
87121WBRACKET, WATER PUMP
87124FCLAMP, HEATER HOSE, NO.1
87124GCLAMP, HEATER HOSE, NO.2
8714
87200DACCESSORY ASSY, HEATER
87209HOSE SUB-ASSY, WATER
87209BHOSE SUB-ASSY, WATER, B
87209CHOSE SUB-ASSY, WATER, C
87209DHOSE SUB-ASSY, WATER, D
87209EHOSE SUB-ASSY, WATER, E
87452QBRACKET, HEATER, NO.1
G9040DPUMP ASSY, WATER W/MOTOR
9010506347
main90105-06347
9011906A17
main90119-06A17
20 parts on this diagram · 1 diagram in section