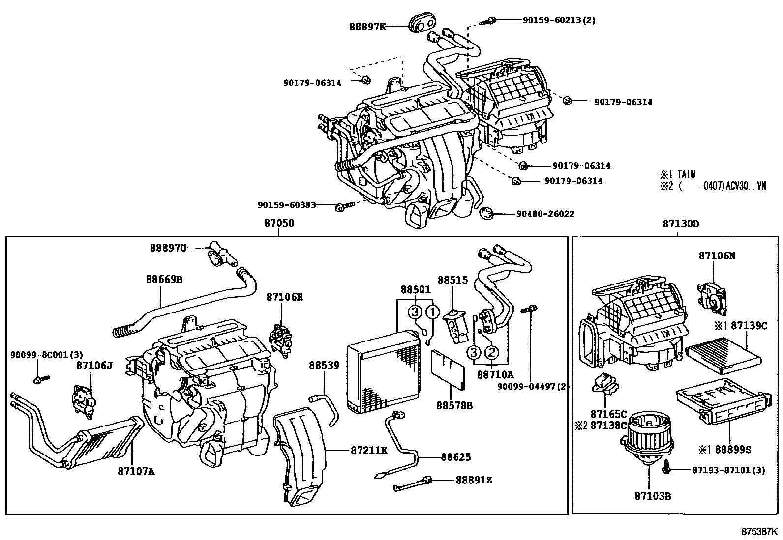
HEATING & AIR CONDITIONING - COOLER UNIT

87050RADIATOR ASSY, AIR CONDITIONER
87106HSERVO SUB-ASSY, DAMPER(FOR AIRMIX)
87106JSERVO SUB-ASSY, DAMPER(FOR MODE)
87106NSERVO SUB-ASSY, DAMPER(FOR RECIRCULATION)
87107AUNIT SUB-ASSY, HEATER RADIATOR
87130DBLOWER ASSY
87139CFILTER, CLEAN AIR
87165CCONTROL, BLOWER MOTOR
main87165-13010iACV30..IDN..5F;MCV30..(IDN,TAIW,VN)..4FC;ACV31..(20E,20G)..(TAIW,TH);ACV3#..(20G,24G,24Q,24V)..(IDN,MA,PHL,TH)..4FC200203-200407
87211KDUCT, AIR
88501EVAPORATOR SUB-ASSY, COOLER, NO.1
88515VALVE, COOLER EXPANSION
88539HOSE, COOLER UNIT DRAIN, NO.1
88578BPACKING, COOLING UNIT, NO.1
88625THERMISTOR, COOLER, NO.1
main88625-33170iACV31..(20E,20G)..(TAIW,TH);ACV30,MCV30..(TAIW,VN)..(4FC,5F);ACV3#..(20G,24G,24Q,24V)..(MA,PHL,TH)..4FC200203-200407
88669BHOSE, COOLER AIR
88710ATUBE ASSY, AIR CONDITIONER
88891ZBRACKET, COOLER THERMISTOR
88897KGROMMET, (FOR COOLER PIPE)
88897UPIPE, ASPIRATOR
88899SFRAME, FRONT COOLER
8719387101
main87193-87101
9009904497
main90099-04497
900998C001
main90099-8C001
9015960213
main90159-60213
9015960383
main90159-60383
9017906314
main90179-06314
9048026022
main90480-26022
29 parts on this diagram · 5 diagrams in section