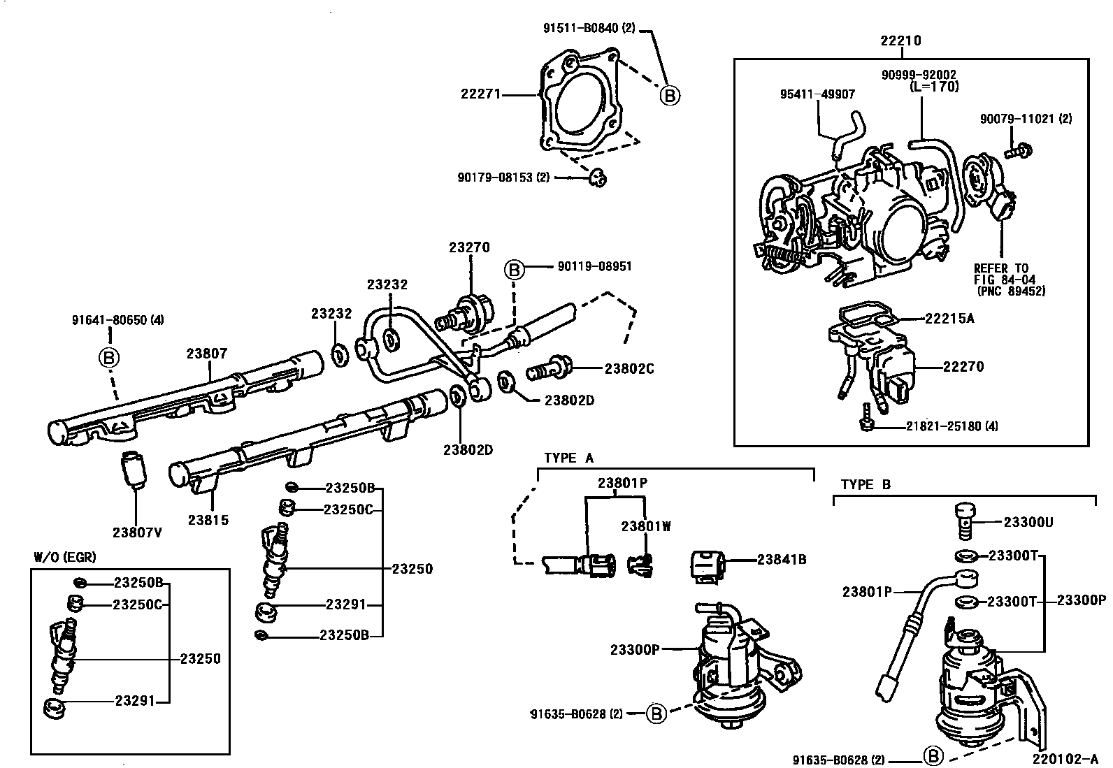
FUEL INJECTION SYSTEM

22210BODY ASSY, THROTTLE
W(EGR VACUUM MODULATOR VALVE)
22215AGASKET, IDLE SPEED CONTROL VALVE
22270VALVE ASSY, IDLE SPEED CONTROL(FOR THLOTTLE BODY)
22271GASKET, THROTTLE BODY
23232GASKET(FOR FUEL PUMP HOSE)
23250INJECTOR ASSY, FUEL
23250BRING, O(FOR FUEL INJECTOR)
23250CGROMMET(FOR FUEL INJECTOR)
23270DAMPER ASSY, FUEL PRESSURE PULSATION
sub23270-62011
23291INSULATOR, INJECTOR VIBRATION
23300PFILTER, FUEL(FOR EFI)
TYPE A:REFER TO ILLUSTRATION
TYPE A:REFER TO ILLUSTRATION
TYPE B:REFER TO ILLUSTRATION
23300TGASKET(FOR FUEL FILTER)
23300UBOLT, UNION(FOR FUEL FILTER)
23801PPIPE SUB-ASSY, FUEL, NO.1
TYPE B:REFER TO ILLUSTRATION
TYPE A:REFER TO ILLUSTRATION
TYPE A:REFER TO ILLUSTRATION
23801WCLIP, FUEL TUBE CONNECTOR
23802CBOLT, UNION(FOR FUEL PIPE NO.2)
23802DGASKET(FOR FUEL PIPE NO.2)
23807PIPE SUB-ASSY, FUEL DELIVERY
sub23814-20021
23807VSPACER, NO.1(FOR DELIVERY PIPE)
23815PIPE, FUEL DELIVERY, NO.2
sub23815-20021
23841BCLAMP, FUEL PIPE, NO.1(FOR EFI)
8404
2182125180SCREW, 2ND THROTTLE VALVE SET
main21821-25180
9007911021
main90079-11021
9011908951
main90119-08951
9017908153
main90179-08153
9099992002
main90999-92002
91511B0840
main91511-B0840
91635B0628
main91635-B0628
9164180650
main91641-80650
9541149907
main95411-49907
31 parts on this diagram · 2 diagrams in section