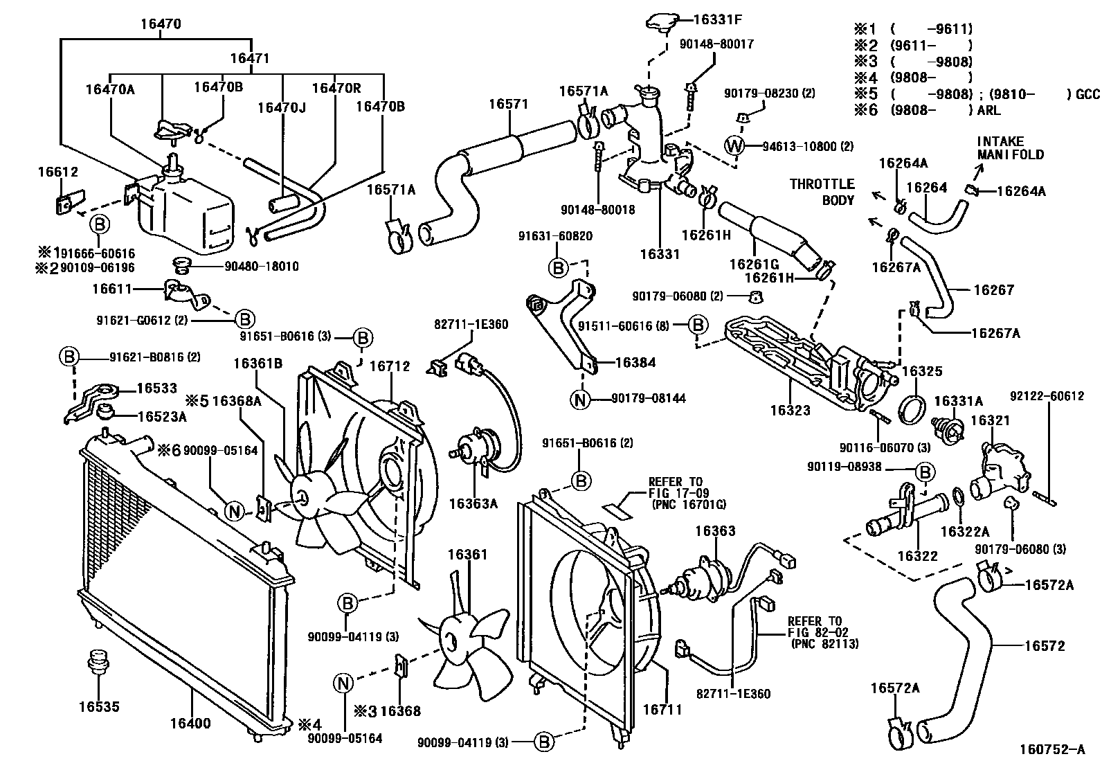
RADIATOR & WATER OUTLET

16261GHOSE, WATER BY-PASS, NO.1
16261HCLIP(FOR WATER BY-PASS HOSE NO.1)
sub90467-28007
16264HOSE, WATER BY-PASS, NO.2
16264ACLAMP OR CLIP(FOR WATER BY-PASS HOSE NO.2)
sub96135-51300
16267HOSE, WATER BY-PASS, NO.3
16267ACLAMP OR CLIP(FOR WATER BY-PASS HOSE NO.3)
sub96135-51300
16321INLET, WATER
W(TEMPERATURE SENSOR)
16322PIPE, WATER INLET
16322ARING, O(FOR WATER INLET)
16323HOUSING, WATER INLET
16325GASKET, WATER INLET HOUSING, NO.1
16331ATHERMOSTAT
16331FCAP SUB-ASSY(FOR WATER OUTLET)
16363AMOTOR, COOLING FAN, NO.2
16368BRACKET, COOLING MOTOR
16368ABRACKET, COOLING MOTOR, NO.2
16384BRACKET, FAN BELT ADJUSTING BAR
16400RADIATOR ASSY
16470AHOSE OR PIPE(FOR RADIATOR RESERVE TANK)
L=600(*H,L=110)
16470BCLAMP OR CLIP(FOR RADIATOR RESERVE TANK HOSE)
16470JHOSE, NO.3(FOR RADIATOR RESERVE TANK)
16470RHOSE, NO.2(FOR RADIATOR RESERVE TANK)
16471CAP SUB-ASSY, RESERVE TANK
16523ACUSHION, RADIATOR SUPPORT
16533SUPPORT, RADIATOR, UPPER
16535SUPPORT, RADIATOR, LOWER
16571HOSE, RADIATOR, INLET
16571ACLAMP OR CLIP, HOSE(FOR RADIATOR INLET)
sub90467-37005
16572HOSE, RADIATOR, OUTLET
16572ACLAMP OR CLIP, HOSE(FOR RADIATOR OUTLET NO.1)
sub90467-37005
16611BRACKET, RADIATOR RESERVE TANK
16612BRACKET, RADIATOR RESERVE TANK, NO.2
16712SHROUD, FAN, NO.2
1709
8202
827111E360WIRE, FUSE TO FUSE(FOR COMBUSTION HEATER)
main82711-1E360
9009904119
main90099-04119
9009905164
main90099-05164
9010906196
main90109-06196
9011606070
main90116-06070
9011908938
main90119-08938
9014880017
main90148-80017
9014880018
main90148-80018
9017906080
main90179-06080
9017908144
main90179-08144
9017908230
main90179-08230
9048018010
main90480-18010
9151160616
main91511-60616
91621B0816
main91621-B0816
91621G0612
main91621-G0612
9163160820
main91631-60820
91651B0616
main91651-B0616
9166660616
main91666-60616
9212260612
main92122-60612
9461310800
main94613-10800
61 parts on this diagram · 2 diagrams in section