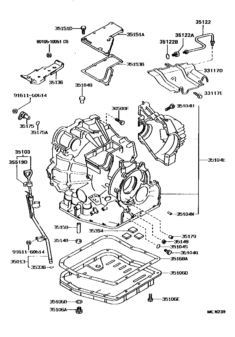
TRANSMISSION CASE & OIL PAN (ATM)

30500EBOLT(FOR TRANSAXLE & ENGINE SETTING)
*10-1.25PX43-26
*12-1.25PX50-30
*12-1.25PX65-30
33117DPROTECTOR, AUTOMATIC TRANSMISSION CASE
33117EBOLT(FOR AUTOMATIC TRANSMISSION CASE PROTECTOR)
sub91641-H0820
35104BPLUG, BREATHER, NO.1 (ATM)
35104ECASE SUB-ASSY, AUTOMATIC TRANSAXLE
sub35104-33012
35104QPLUG, NO.1 (FOR TRANSAXLE CASE)
35104SRING, O (FOR TRANSAXLE CASE PLUG NO.1)
35104UBOLT (FOR TRANSAXLE CASE)
*10-1.25PX65-30
*10-1.25PX75-30
*10-1.25PX100-30
35104WPIN, STRAIGHT (FOR TRANSAXLE CASE)
35106APLUG SUB-ASSY, DRAIN (ATM)
35106BGASKET, DRAIN PLUG (ATM)
35106DPAN SUB-ASSY, AUTOMATIC TRANSAXLE OIL
35106EBOLT (FOR TRANSAXLE OIL PAN)
35122TUBE, BREATHER (FOR AUTOMATIC TRANSAXLE)
35122AUNION (FOR AUTOMATIC TRANSAXLE BREATHER TUBE)
35122BRING, O (FOR AUTOMATIC TRANSAXLE BREATHER TUBE UNION)
35136HANGER, TRANSMISSION,NO.1
35148GASKET, GOVERNOR APPLY, NO.1
35151ACOVER, TRANSAXLE CASE, UPPER
35151DBOLT (FOR TRANSAXLE CASE UPPER COVER)
*8-1.25PX28-18
*10-1.25PX30-22
*10-1.25PX30-30
35153BGASKET, TRANSAXLE CASE UPPER COVER
35159GASKET, BRAKE DRUM
35168AGASKET, AUTOMATIC TRANSAXLE OIL PAN
sub35168-33020
35175CAP, TRANSAXLE CASE, NO.2
35175ARING, O (FOR TRANSAXLE CASE CAP)
35179GASKET, OVERDRIVE BRAKE
35336RING, O (FOR TRANSMISSION OIL FILLER TUBE)
35394MAGNET, OIL CLEANER (FOR TRANSMISSION)
9010510051
main90105-10051
9161160614
main91611-60614
33 parts on this diagram · 1 diagram in section