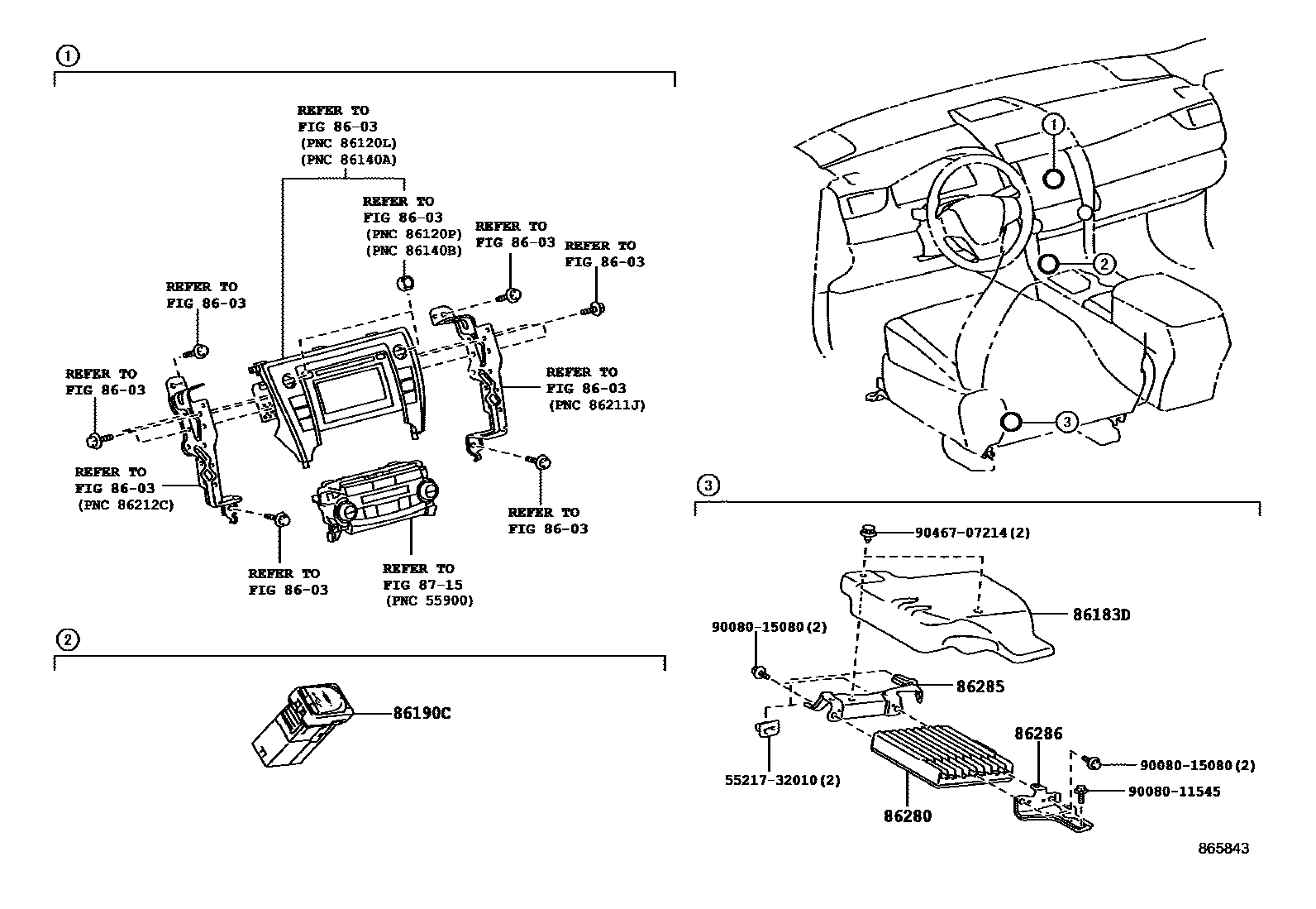
RADIO RECEIVER & AMPLIFIER & CONDENSER

8603
86183DCOVER, AUDIO AMPLIFIER
86190CADAPTER ASSY, STEREO JACK, NO.1
86280AMPLIFIER ASSY, STEREO COMPONENT
main86100-0W280
86285BRACKET, AMPLIFIER, NO.1
main86285-06040
86286BRACKET, AMPLIFIER, NO.2
main86286-06020
8715
5521732010STRIP, DASH PANEL SILENCER FINISH
main55217-32010
9008011545
main90080-11545
9008015080
main90080-15080
9046707214
main90467-07214
11 parts on this diagram · 2 diagrams in section