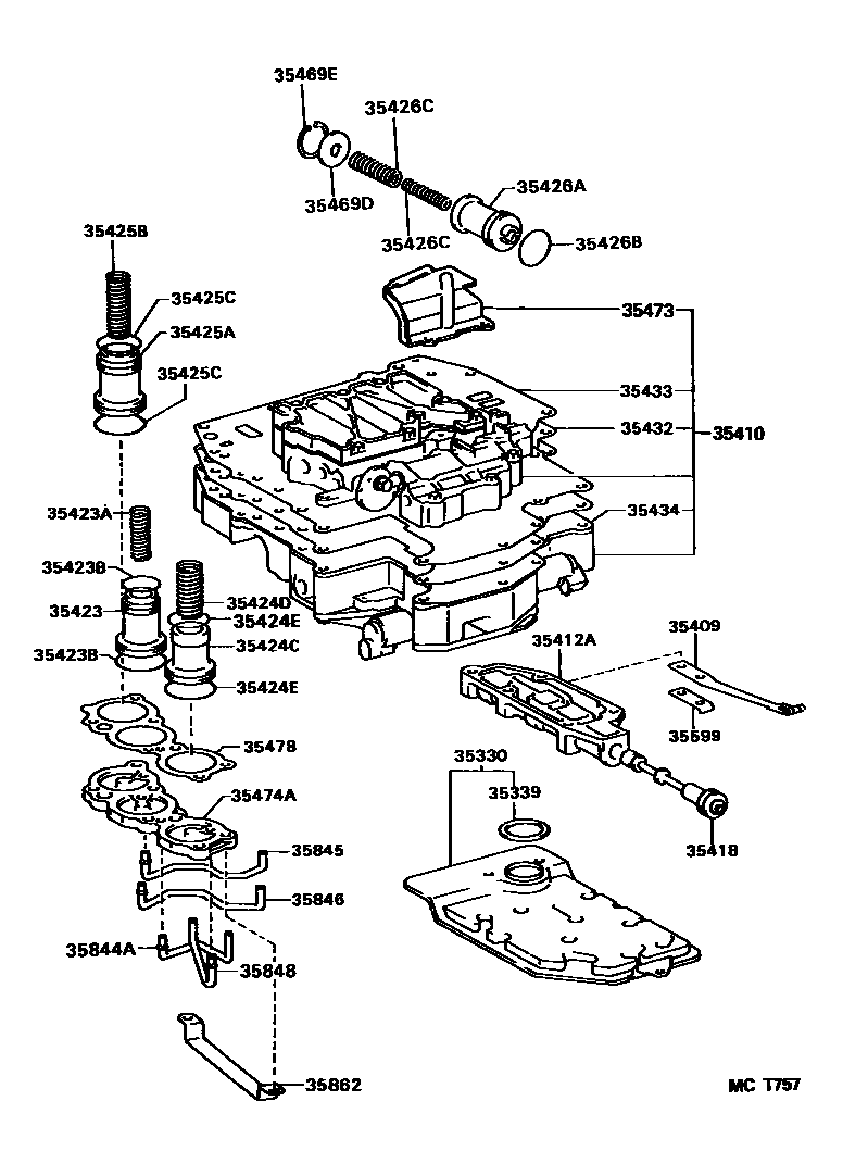
VALVE BODY & OIL STRAINER (ATM)

35339GASKET, OIL STRAINER
35409SPRING SUB-ASSY, MANUAL DETENT
35412ABODY, MANUAL VALVE
35418VALVE, MANUAL
35423PISTON, B-2 ACCUMULATOR
35423ASPRING, COMPRESSION (FOR B-2 ACCUMULATOR PISTON)
35423BRING, O (FOR B-2 ACCUMULATOR PISTON)
UPR
UPR
LWR
LWR
35424CPISTON, C-1 ACCUMULATOR
35424DSPRING, COMPRESSION (FOR C-1 ACCUMULATOR PISTON)
35424ERING, O (FOR C-1 ACCUMULATOR PISTON)
UPR
LWR
UPR
LWR
35425APISTON, C-2 ACCUMULATOR
35425BSPRING, COMPRESSION (FOR C-2 ACCUMULATOR PISTON)
35425CRING, O (FOR C-2 ACCUMULATOR PISTON)
UPR
UPR
LWR
LWR
35426APISTON, C-0 ACCUMULATOR
35426BRING, O (FOR C-0 ACCUMULATOR PISTON)
35426CSPRING, COMPRESSION (FOR C-0 ACCUMULATOR PISTON)
OUTER
INNER
OUTER
INNER
35469DSPACER (FOR C-0 ACCUMULATOR PISTON)
35469ERING, SNAP (FOR C-0 ACCUMULATOR PISTON SPACER)
35473COVER, TRANSMISSION VALVE BODY
35478GASKET, ACCUMULATOR COVER
35599COVER, MANUAL DETENT SPRING
35845TUBE, RR CLUTCH ACCUMULATOR
35846TUBE, BRAKE ACCUMULATOR
35848TUBE, FORWARD CLUTCH ACCUMULATOR
32 parts on this diagram · 9 diagrams in section