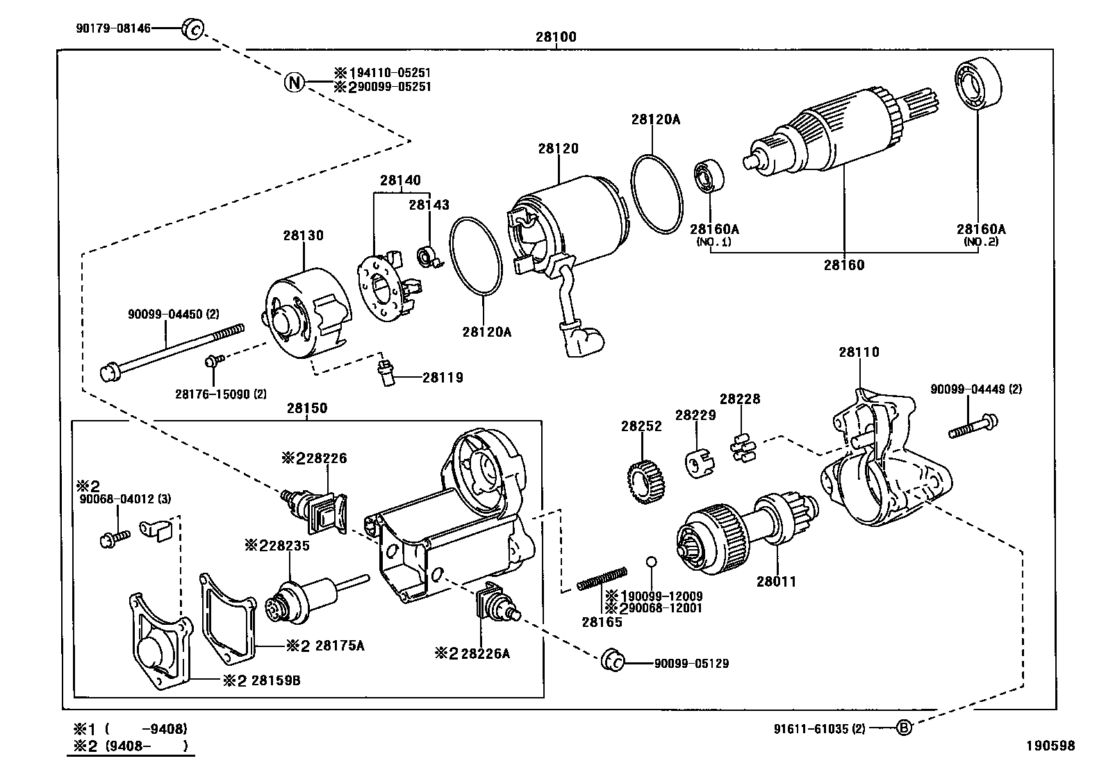
STARTER

28011CLUTCH SUB-ASSY, STARTER
28100STARTER ASSY
12V 1.4KW
12V 1.2KW
12V 1.2KW
12V 1.4KW
28110HOUSING ASSY, STARTER DRIVE
28119COVER, STARTER END FRAME
28120ARING, O(FOR STARTER YOKE)
28130FRAME ASSY, STARTER COMMUTATOR END
28140HOLDER ASSY, STARTER BRUSH
28143SPRING, STARTER BRUSH
28159BCOVER, MAGNET SWITCH
28160ARMATURE ASSY, STARTER
28160ABEARING, STARTER ARMATURE
NO.1
NO.2
N0.1
NO.1
NO.2
28165SPRING, STARTER MAGNET SWITCH RETURN
28175AGASKET, MAGNET SWITCH COVER
28226STARTER KIT, BATTERY TERMINAL
sub28226-64370
28226ASTARTER KIT, MOTOR TERMINAL
28228ROLLER, STARTER IDLE GEAR CLUTCH
28229RETAINER, STARTER IDLE GEAR
28235PLUNGER, MAGNET SWITCH
28252GEAR, STARTER IDLE
2817615090SCREW, STARTER
main28176-15090
9006804012
main90068-04012
9006812001
main90068-12001
9009904449
main90099-04449
9009904450
main90099-04450
9009905129
main90099-05129
9009905251
main90099-05251
9009912009
main90099-12009
9017908146
main90179-08146
9161161035
main91611-61035
9411005251
main94110-05251
32 parts on this diagram · 2 diagrams in section