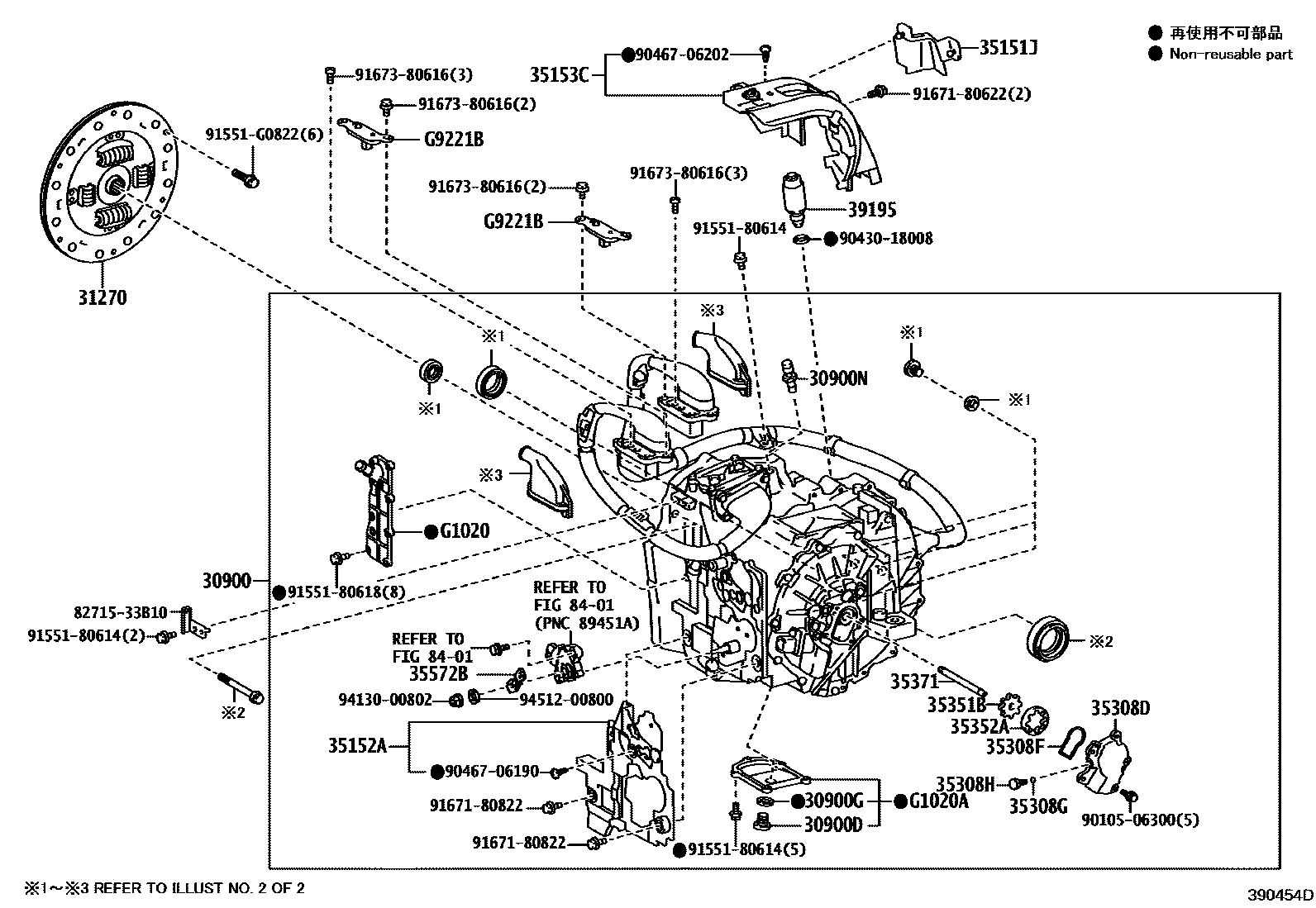
TRANSAXLE ASSY(HEV OR BEV OR FCEV)

30900DPLUG, W/HEAD STRAIGHT SCREW(FOR TRANSAXLE HOUSING & CASE)
30900GGASKET, NO.2(FOR TRANSAXLE HOUSING & CASE)
30900NPLUG, BREATHER(FOR TRANSAXLE)
35151JCOVER, AUTOMATIC TRANSMISSION CASE
35152ACOVER, AUTOMATIC TRANSMISSION CASE, NO.2
35153CCOVER, AUTOMATIC TRANSMISSION CASE, NO.3
35308DCOVER SUB-ASSY, TRANSMISSION OIL PUMP
35308FRING, O, NO.1 (FOR TRANSMISSION OIL PUMP COVER)
35308GRING, O, NO.2 (FOR TRANSMISSION OIL PUMP COVER)
35308HPLUG (FOR TRANSMISSION OIL PUMP COVER)
35351BROTOR, TRANSAXLE OIL PUMP DRIVE
35352AROTOR, TRANSMISSION OIL PUMP DRIVEN
35371SHAFT, OIL PUMP DRIVE
35572BLEVER, TRANSMISSION, OUTER
39195DAMPER, HV TRANSAXLE MASS
8401
G1020COVER ASSY, MOTOR WATER JACKET, NO.1
G1020ACOVER ASSY, MOTOR WATER JACKET, NO.2
G9221BCOVER, INVERTER, UPRPER
8271533B10BRACKET,WIRING HARNESS CLAMP
main82715-33B10
9010506300
main90105-06300
9043018008
main90430-18008
9046706190
main90467-06190
9046706202
main90467-06202
9155180614
main91551-80614
9155180618
main91551-80618
91551G0822
main91551-G0822
9167180622
main91671-80622
9167180822
main91671-80822
9167380616
main91673-80616
9413000802
main94130-00802
9451200800
main94512-00800
34 parts on this diagram · 2 diagrams in section