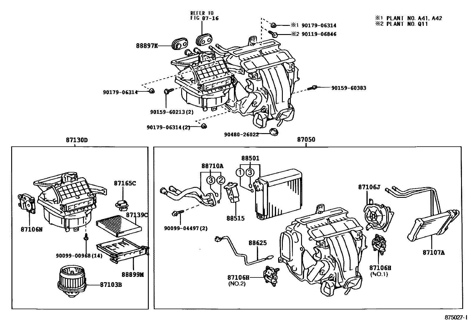
HEATING & AIR CONDITIONING - COOLER UNIT

87050RADIATOR ASSY, AIR CONDITIONER
sub87050-33561
sub87050-33562
sub87050-33563
sub87050-33571
sub87050-33572
sub87050-33573
87103BMOTOR SUB-ASSY, BLOWER W/FAN
87106HSERVO SUB-ASSY, DAMPER(FOR AIRMIX)
NO.1
NO.2
87106JSERVO SUB-ASSY, DAMPER(FOR MODE)
87106NSERVO SUB-ASSY, DAMPER(FOR RECIRCULATION)
87139CFILTER, CLEAN AIR
8716
87165CCONTROL, BLOWER MOTOR
88501EVAPORATOR SUB-ASSY, COOLER, NO.1
88710ATUBE ASSY, AIR CONDITIONER
88897KGROMMET, (FOR COOLER PIPE)
88899MPLATE, COVER(FOR AIR FILTER)
9009900968
main90099-00968
9009904497
main90099-04497
9011906846
main90119-06846
9015960213
main90159-60213
9015960383
main90159-60383
9017906314
main90179-06314
9048026022
main90480-26022
23 parts on this diagram · 5 diagrams in section