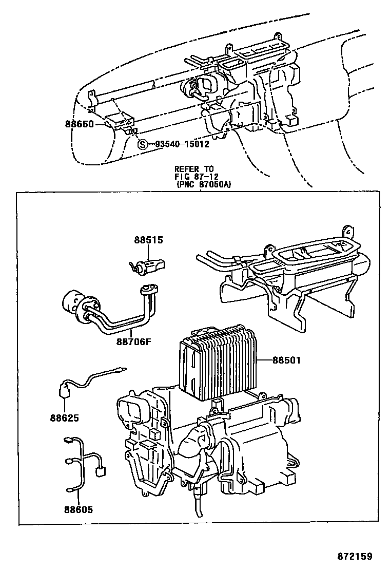
HEATING & AIR CONDITIONING - COOLER UNIT

8712
88605HARNESS SUB-ASSY, COOLER WIRING, NO.1
NO.1
88625THERMISTOR, COOLER, NO.1
88650AMPLIFIER ASSY, COOLER STABILIZER
88706FTUBE SUB-ASSY, LIQUID, F
9354015012
main93540-15012
8 parts on this diagram · 2 diagrams in section