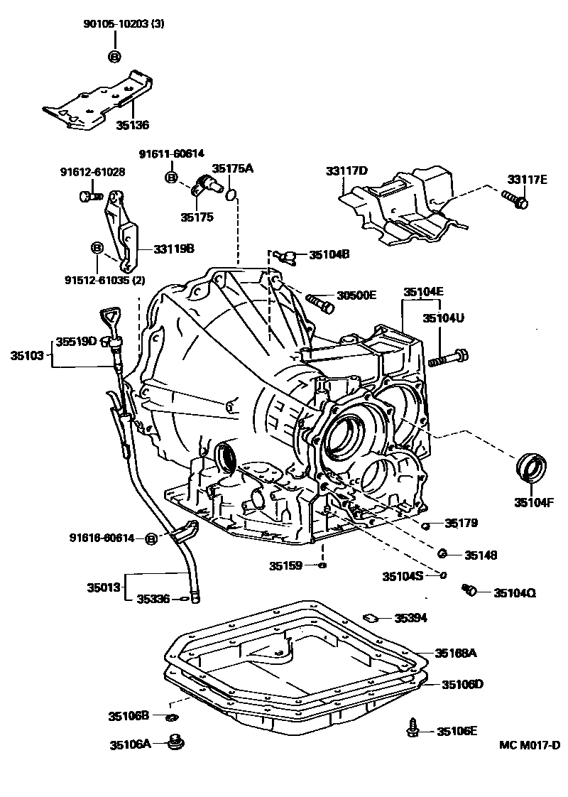
TRANSMISSION CASE & OIL PAN (ATM)

30500EBOLT(FOR TRANSAXLE & ENGINE SETTING)
*10-1.25PX43-26
*12-1.25PX55-30
*12-1.25PX50-30
*12-1.25PX45-30
*12-1.25PX65-30
*10-1.25PX22-22
*10-1.25PX22-22
*10-1.25PX55-30
33117DPROTECTOR, AUTOMATIC TRANSMISSION CASE
33117EBOLT(FOR AUTOMATIC TRANSMISSION CASE PROTECTOR)
sub91641-H0820
33119BPLATE, STIFFENER, LH(ATM)
35104BPLUG, BREATHER, NO.1 (ATM)
35104FSEAL, OIL (FOR TRANSAXLE CASE)
35104QPLUG, NO.1 (FOR TRANSAXLE CASE)
35104SRING, O (FOR TRANSAXLE CASE PLUG NO.1)
35104UBOLT (FOR TRANSAXLE CASE)
*10-1.25PX65-30
*10-1.25PX75-30
*10-1.25PX100-30
35106APLUG SUB-ASSY, DRAIN (ATM)
35106BGASKET, DRAIN PLUG (ATM)
35106DPAN SUB-ASSY, AUTOMATIC TRANSAXLE OIL
35106EBOLT (FOR TRANSAXLE OIL PAN)
35136HANGER, TRANSMISSION,NO.1
35148GASKET, GOVERNOR APPLY, NO.1
35159GASKET, BRAKE DRUM
35175CAP, TRANSAXLE CASE, NO.2
35175ARING, O (FOR TRANSAXLE CASE CAP)
35179GASKET, OVERDRIVE BRAKE
35336RING, O (FOR TRANSMISSION OIL FILLER TUBE)
35394MAGNET, OIL CLEANER (FOR TRANSMISSION)
9010510203
main90105-10203
9151261035
main91512-61035
9161160614
main91611-60614
9161261028
main91612-61028
9161660614
main91616-60614
31 parts on this diagram · 3 diagrams in section