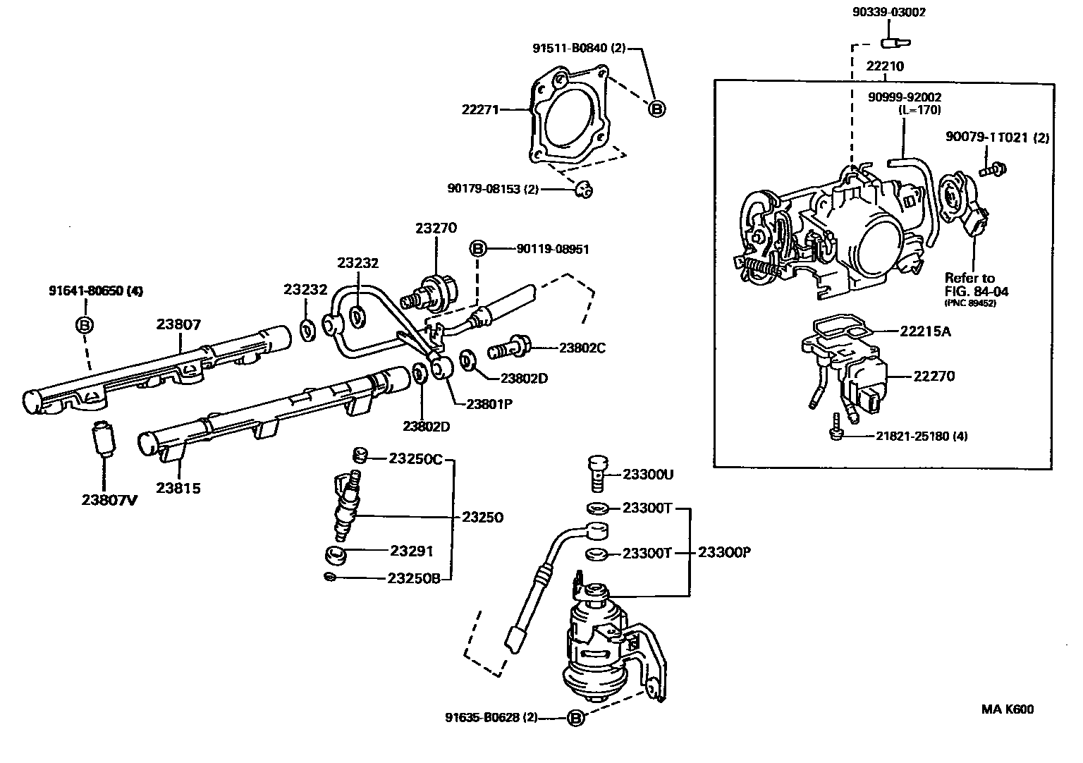
FUEL INJECTION SYSTEM

22210BODY ASSY, THROTTLE
22215GASKET, THROTTLE BODY COVER
(L)
(J)
22215AGASKET, IDLE SPEED CONTROL VALVE
23232GASKET(FOR FUEL PUMP HOSE)
23250INJECTOR ASSY, FUEL
23250BRING, O(FOR FUEL INJECTOR)
23250CGROMMET(FOR FUEL INJECTOR)
23291INSULATOR, INJECTOR VIBRATION
23300PFILTER, FUEL(FOR EFI)
AFRICA SPEC
23300TGASKET(FOR FUEL FILTER)
23300UBOLT, UNION(FOR FUEL FILTER)
23801PPIPE SUB-ASSY, FUEL, NO.1
23802CBOLT, UNION(FOR FUEL PIPE NO.2)
23802DGASKET(FOR FUEL PIPE NO.2)
23807PIPE SUB-ASSY, FUEL DELIVERY
23807VSPACER, NO.1(FOR DELIVERY PIPE)
23815PIPE, FUEL DELIVERY, NO.2
8404
2182125180SCREW, 2ND THROTTLE VALVE SET
main21821-25180
9007911021
main90079-11021
9011908951
main90119-08951
9017908153
main90179-08153
9033903002
main90339-03002
9099992002
main90999-92002
91511B0840
main91511-B0840
91635B0628
main91635-B0628
9164180650
main91641-80650
30 parts on this diagram · 7 diagrams in section