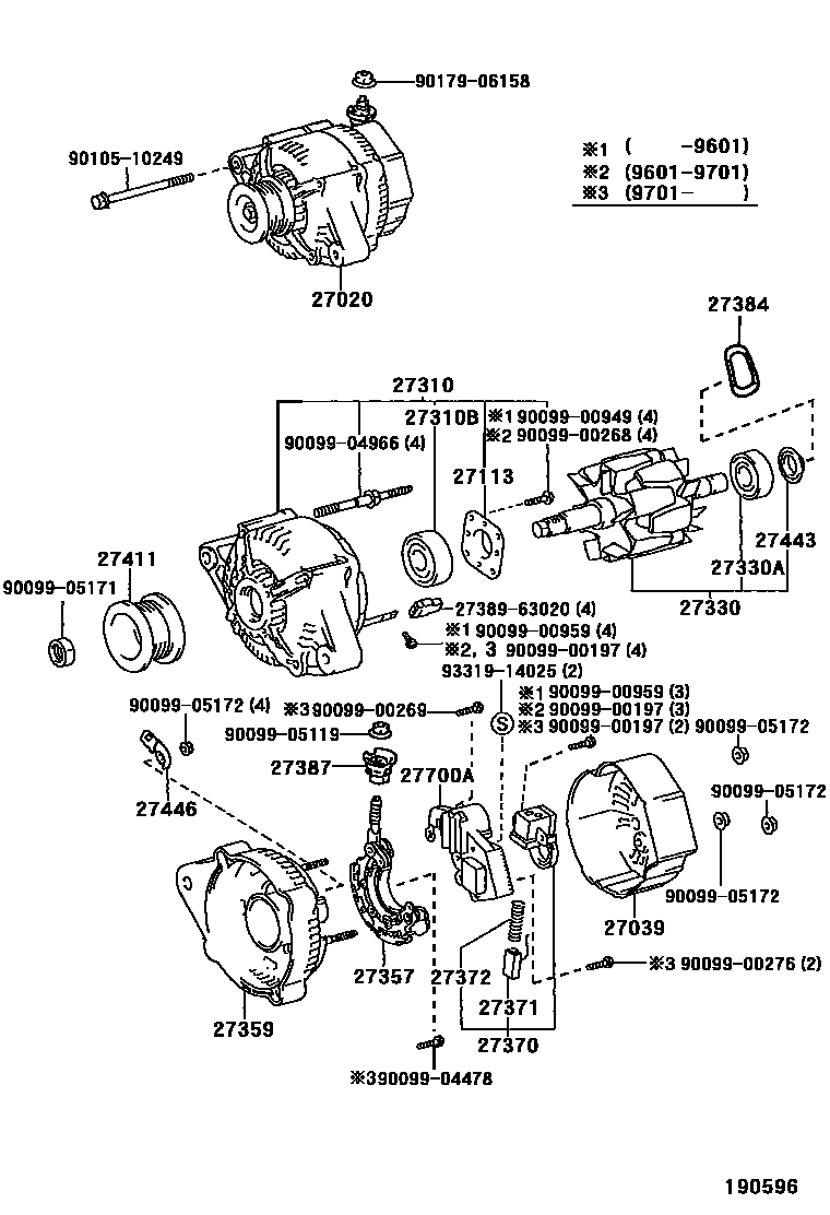
ALTERNATOR

27020ALTERNATOR ASSY
12V 80A
12V 80A
12V 70A
27113PLATE, BEARING RETAINER, ALTERNATOR
27310FRAME ASSY, DRIVE END, ALTERNATOR
27310BBEARING(FOR ALTERNATOR DRIVE END FRAME)
27330ABEARING(FOR ALTERNATOR ROTOR)
27357HOLDER, ALTERNATOR, W/RECTIFIER
27359FRAME, ALTERNATOR RECTIFIER END
27370HOLDER ASSY, ALTERNATOR BRUSH
27371BRUSH, ALTERNATOR
27372SPRING, ALTERNATOR BRUSH
sub27372-87501
27384WASHER
27387INSULATOR, TERMINAL
27411PULLEY, ALTERNATOR
27443COVER, ALTERNATOR BEARING
27446CLIP, ALTERNATOR CORD
27700AREGULATOR ASSY, GENERATOR
2738963020INSULATOR, TERMINAL
main27389-63020
9009900197
main90099-00197
9009900268
main90099-00268
9009900269
main90099-00269
9009900276
main90099-00276
9009900949
main90099-00949
9009900959
main90099-00959
9009904478
main90099-04478
9009904966
main90099-04966
9009905119
main90099-05119
9009905171
main90099-05171
9009905172
main90099-05172
9010510249
main90105-10249
9017906158
main90179-06158
9331914025
main93319-14025
33 parts on this diagram · 3 diagrams in section