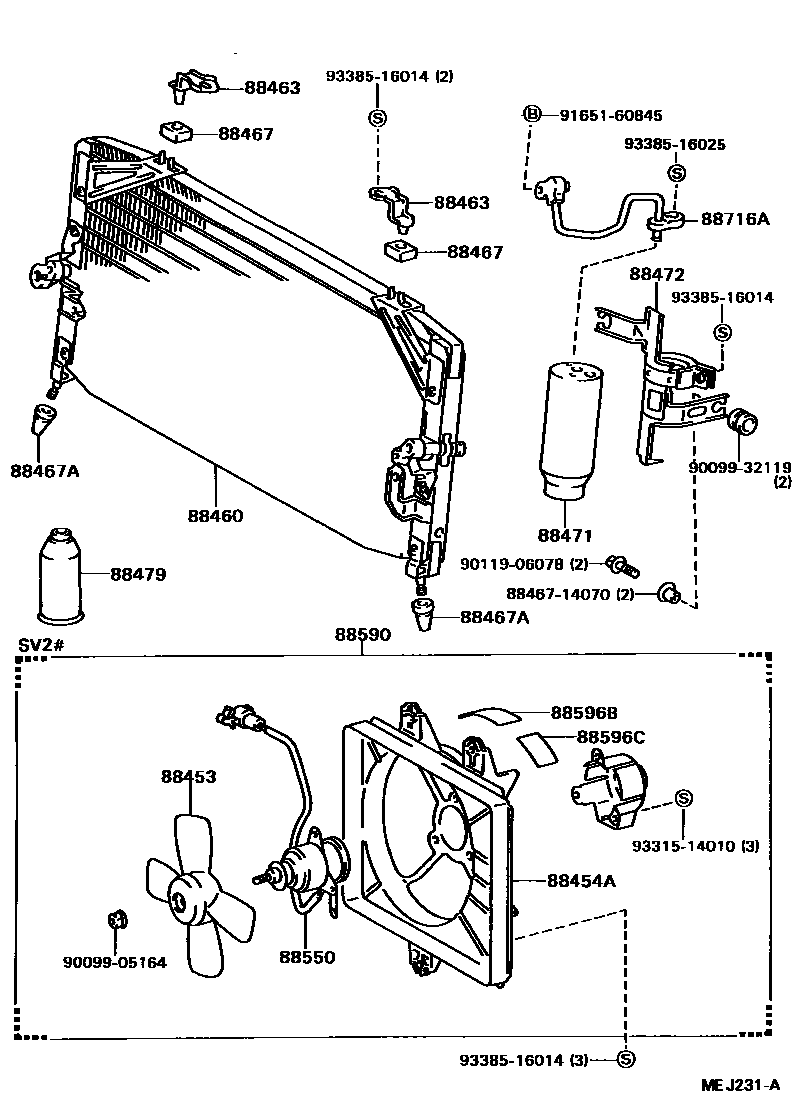
HEATING & AIR CONDITIONING - COOLER PIPING

88453FAN, COOLING (FOR CONDENSER)
88454ASHROUD, FAN
sub88454-32041
88460CONDENSER ASSY, COOLER
88467CUSHION, COOLER CONDENSER, NO.1
88467ACUSHION, COOLER CONDENSER, NO.2
88471TANK, RECEIVER AIR CONDITIONER
sub88471-12040
88472BRACKET, RECEIVER TANK, NO.1
88479FREON GAS, AIR CONDITIONER (DRUM, COOLER REFRIGERANT)
88550MOTOR ASSY, BLOWER (FOR CONDENSER)
sub88550-32080
88590BLOWER ASSY, W/SHROUD
sub88590-32081
88596BPLATE, CAUTION, NO.1
88596CPLATE, CAUTION, NO.2
sub88723-12010
88716APIPE, COOLER REFRIGERANT LIQUID, A
8846714070CUSHION, COOLER CONDENSER, NO.1
main88467-14070
9009905164
main90099-05164
9009932119
main90099-32119
9011906078
main90119-06078
9165160845
main91651-60845
9331514010
main93315-14010
9338516014
main93385-16014
9338516025
main93385-16025
22 parts on this diagram · 3 diagrams in section