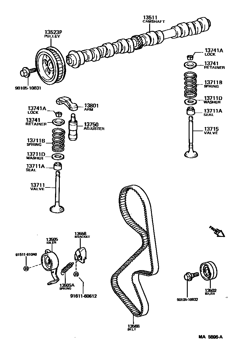
CAMSHAFT & VALVE

13558BRACKET, SPRING(FOR IDLER)
13711VALVE, INTAKE
13711BSPRING, COMPRESSION(FOR INNER)
13711DWASHER, PLATE(FOR VALVE SPRING SEAT)
13715VALVE, EXHAUST
AISAN
13741RETAINER, VALVE SPRING
13741ALOCK, VALVE SPRING RETAINER
13750ADJUSTER ASSY, VALVE LASH
13801ARM SUB-ASSY, VALVE ROCKER, NO.1
9010510031
main90105-10031
9010510032
main90105-10032
9151161040
main91511-61040
9161160612
main91611-60612
20 parts on this diagram · 3 diagrams in section