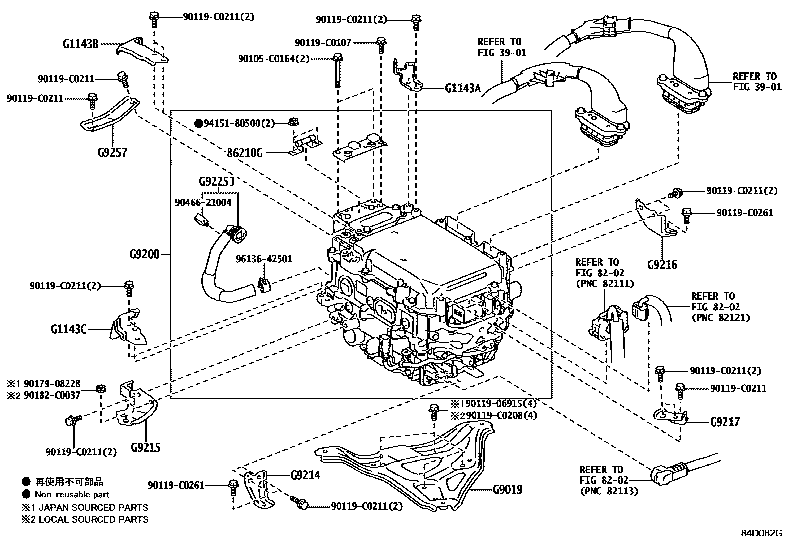
HEV INVERTER

3901
8202
86210GFUSE, HIGH VOLTAGE
G1143ABRACKET, MOTOR CABLE, NO.1
G1143BBRACKET, MOTOR CABLE, NO.2
G1143CBRACKET, MOTOR CABLE, NO.3
G9019BRACKET SUB-ASSY, INVERTER TRAY
G9214BRACKET, INVERTER, NO.1
G9216BRACKET, INVERTER, NO.3
G9217BRACKET, INVERTER, NO.4
G9225JHOSE, INVERTER COOLING, NO.1
G9257BRACKET, INVERTER, NO.5
90105C0164
main90105-C0164
9011906915
main90119-06915
90119C0107
main90119-C0107
90119C0208
main90119-C0208
90119C0211
main90119-C0211
90119C0261
main90119-C0261
9017908228
main90179-08228
90182C0037
main90182-C0037
9046621004
main90466-21004
9415180500
main94151-80500
9613642501
main96136-42501
25 parts on this diagram · 1 diagram in section