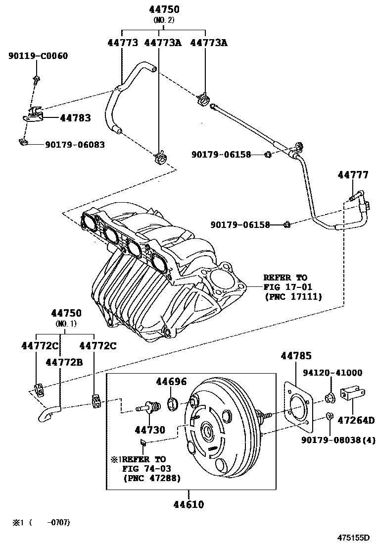
BRAKE BOOSTER & VACUUM TUBE

1701
44696GROMMET, CHECK VALVE
44730VALVE ASSY, VACUUM CHECK(FOR BRAKE)
44750HOSE ASSY, VACUUM
NO.1
NO.2
44772CCLIP(FOR CHECK VALVE TO BRAKE BOOSTER HOSE)
44773ACLIP, NO.1(FOR VACUUM HOSE, NO.2)
44777CONNECTOR, VACUUM HOSE, NO.1
44783CLAMP, VACUUM HOSE
44785GASKET, BRAKE BOOSTER
47264DCLEVIS, BRAKE MASTER CYLINDER PUSH ROD
7403
90119C0060
main90119-C0060
9017906083
9017906158
9017908038
9412041000
19 parts on this diagram · 1 diagram in section