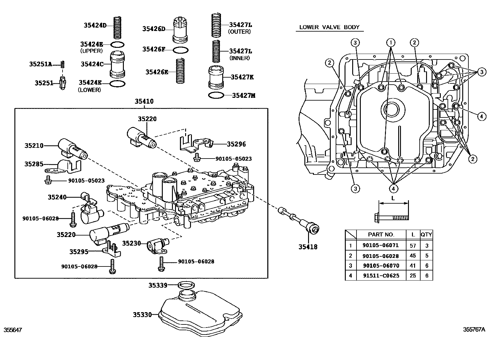
VALVE BODY & OIL STRAINER (ATM)

35210SOLENOID ASSY, CLUTCH CONTROL, NO.1
35220SOLENOID ASSY, CLUTCH CONTROL, NO.2
35230SOLENOID ASSY, TRANSMISSION 3WAY, NO.2
NO.1
NO.2
35240SOLENOID ASSY, AUTOMATIC TRANSMISSION 3WAY
35251BODY, CHECK BALL
35251ASPRING, COMPRESSION (FOR CHECK BALL BODY)
35285PLATE, SOLENOID LOCK
35295PLATE, SOLENOID LOCK, NO.2
35296PLATE, SOLENOID LOCK, NO.3
35330STRAINER ASSY, VALVE BODY OIL
35339GASKET, OIL STRAINER
35410BODY ASSY, TRANSMISSION VALVE
35424CPISTON, C-1 ACCUMULATOR
35424DSPRING, COMPRESSION (FOR C-1 ACCUMULATOR PISTON)
35424ERING, O (FOR C-1 ACCUMULATOR PISTON)
UPPER
LOWER
35426DPISTON, C-3 ACCUMULATOR
35426ESPRING, COMPRESSION (FOR C-3 ACCUMULATOR PISTON)
35426FRING, O (FOR C-3 ACCUMULATOR PISTON)
35427KPISTON, B-3 ACCUMULATOR
35427LSPRING, COMPRESSION (FOR B-3 ACCUMULATOR PISTON)
INNER
INNER
OUTER
OUTER
35427MRING, O (FOR B-3 ACCUMULATOR PISTON)
9010505023
9010506028
9010506070
9010506071
91511C0625
27 parts on this diagram · 6 diagrams in section