E
EPC Data

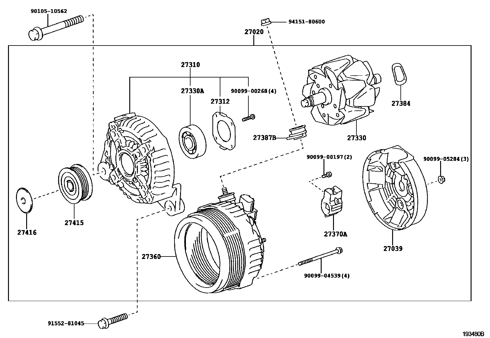
ALTERNATOR

Parts diagram
27020ALTERNATOR ASSY
main27060-36010i201008-201209
12V 100A
main27060-36011i201210-201607
12V 100A
27039COVER, ALTERNATOR REAR END
main27039-31390i201008-201607
27310FRAME ASSY, DRIVE END, ALTERNATOR
main27310-36090i201008-201607
27312PLATE, RETAINER
main27312-72100i201008-201607
27330ROTOR ASSY, ALTERNATOR
main27330-30070i201008-201607
27330ABEARING(FOR ALTERNATOR ROTOR)
main90099-10223i201008-201607
27360COIL ASSY, ALTERNATOR
main27360-36090i201008-201208
main27360-36091i201208-201607
27370AHOLDER ASSY, ALTERNATOR BRUSH
main27370-31220i201008-201607
27384WASHER
main27384-50030i201008-201607
27387BINSULATOR, ALTERNATOR TERMINAL
main27387-20130i201008-201607
27415PULLEY, ALTERNATOR W/CLUTCH
main27415-0W020i201008-201307
main27415-0W021i201308-201607
27416CAP, ALTERNATOR PULLEY
main27416-0W050i201008-201607
9009900197
9009900268
9009904539
9009905284
9010510562
9155281045
9415180600

19 parts on this diagram · 1 diagram in section

ALTERNATOR — Toyota Parts Diagram with OEM Numbers & Prices | EPC Data