HEATING & AIR CONDITIONING - HEATER UNIT & BLOWER

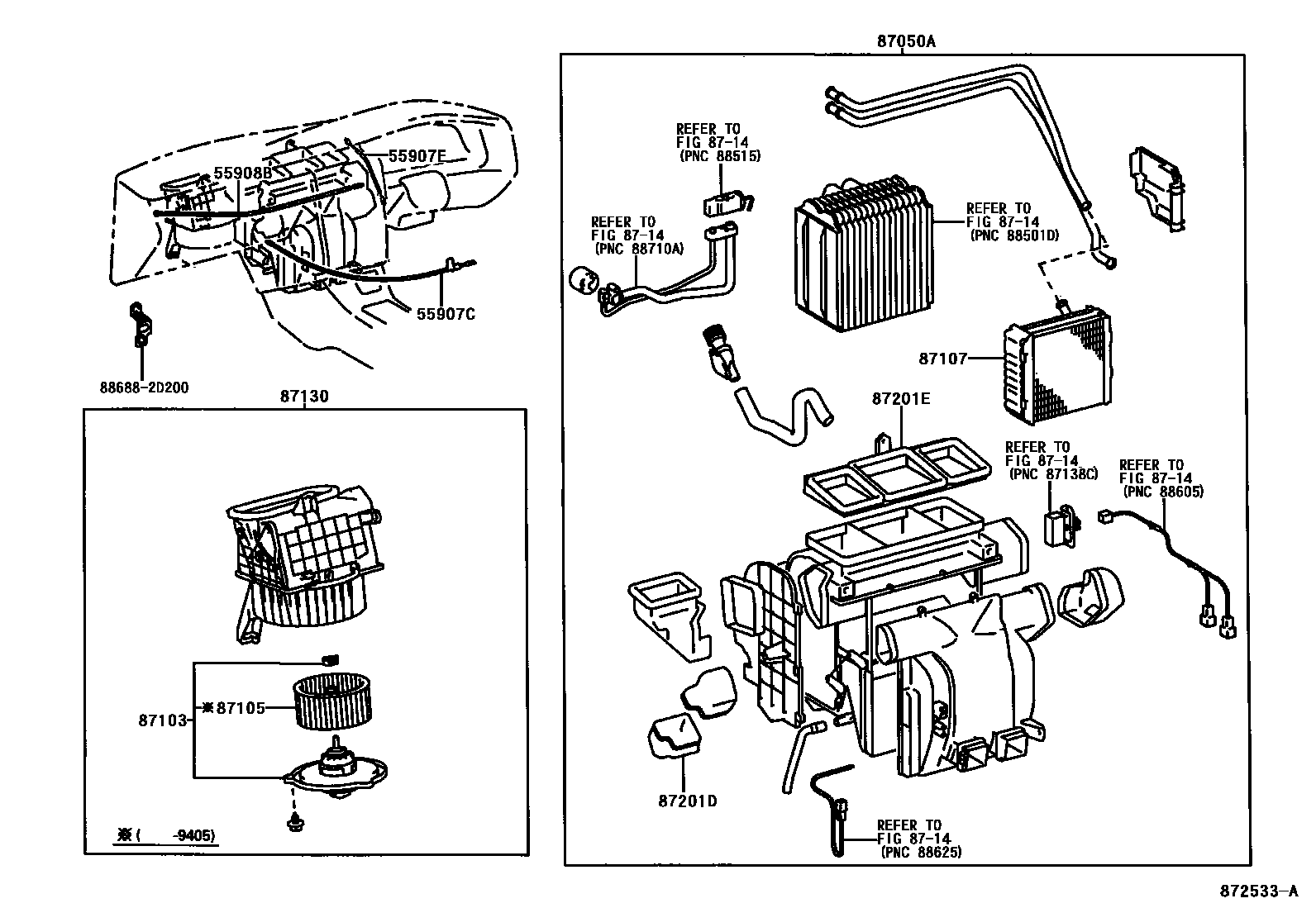
55907CCABLE SUB-ASSY, WATER VALVE CONTROL
55907ECABLE SUB-ASSY, WATER VALVE CONTROL, NO.2
55908BCABLE SUB-ASSY, AIR INLET DAMPER CONTROL
87050ARADIATOR ASSY, AIR CONDITIONER
MAKER OPT
MAKER OPT
87103MOTOR SUB-ASSY, HEATER BLOWER, W/FAN
87105FAN SUB-ASSY, HEATER BLOWER
sub87103-22110
87107UNIT SUB-ASSY, HEATER RADIATOR
87130BLOWER ASSY, HEATER, FRONT
8714
87201DDUCT SUB-ASSY, AIR
87201EDUCT SUB-ASSY, AIR, NO.2
886882D200BRACKET, COOLER DIAPHRAGM
main88688-2D200
12 parts on this diagram · 1 diagram in section